Heat Exchangers for Worcester Greenstar 24I Junior FSp LPG
Brand: Worcester Range: Greenstar Model: 24I JUNIOR FSP LPG GC Number: 47-311-90
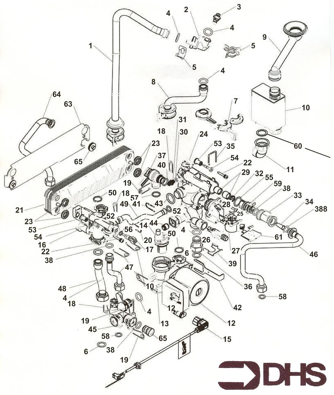
Here you will find all the spare parts for the Worcester Greenstar 24I Junior FSp LPG. Can't find the part you're looking for? You can contact us and a member of our team will be more than happy to help find the part you need.
Installation ManualAll of our boiler manuals are free to download from our boiler manuals section
You can narrow your results further by choosing one of the following sub-appliances:

Worcester Bosch 87161064350 DHW Heat Exchanger Seal - ErP/EMS Combi/Greenstar
Part No: 1014907 MPN: 87161064350

Worcester Bosch 87161157400 Heat Exchanger Assembly - 18-24Kw - Greenstar/Junior
Part No: 1015131 MPN: 87161157400