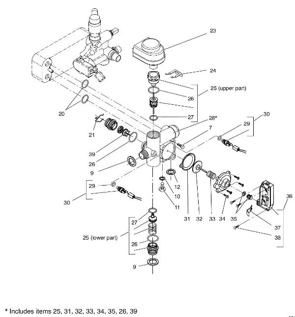
Ideal Domestic Mini HE C32 / FLOW GROUP
Brand: Ideal Domestic Range: MINI Model: HE C32
Here you will find all the spare parts for the Ideal Domestic Mini He C32. Can't find the part you're looking for? You can contact us and a member of our team will be more than happy to help find the part you need.
All of our boiler manuals are free to download from our boiler manuals section
31 Ideal 075421 Central Heating Pressure Switch Membrane Bi1011 103 -C80 FF/C95 FF
Part No: 1174085 MPN: 075421
32 Ideal 075487 Ch Pressure Switch Disk Bi1011 111 - Mini C/Mini HE/C95 FF
Part No: 1174135 MPN: 075487
20 Ideal 075401 Domestic Mini DHW Heat Exchanger O'Rings - C80FFF KI1043 144
Part No: 1174066 MPN: 075401
38
IDEAL 075485 SCREW 2,9X13 AB S/TAP BZP RCH BI1011 108
Part No: 1174133 MPN: 075485
Withdrawn : 27/08/2014
