Ideal Domestic Mini HE C32 / HEATING RETURN VD
Brand: Ideal Domestic Range: MINI Model: HE C32
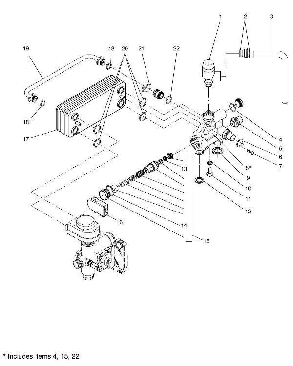
Here you will find all the spare parts for the Ideal Domestic Mini He C32. Can't find the part you're looking for? You can contact us and a member of our team will be more than happy to help find the part you need.
All of our boiler manuals are free to download from our boiler manuals section
