Miscellaneous for Worcester Greenstar D' Moor 18/25 Oil Boiler
Brand: Worcester Range: Greenstar Model: D' MOOR 18/25 Oil Boiler Appliance Code: 7716100095
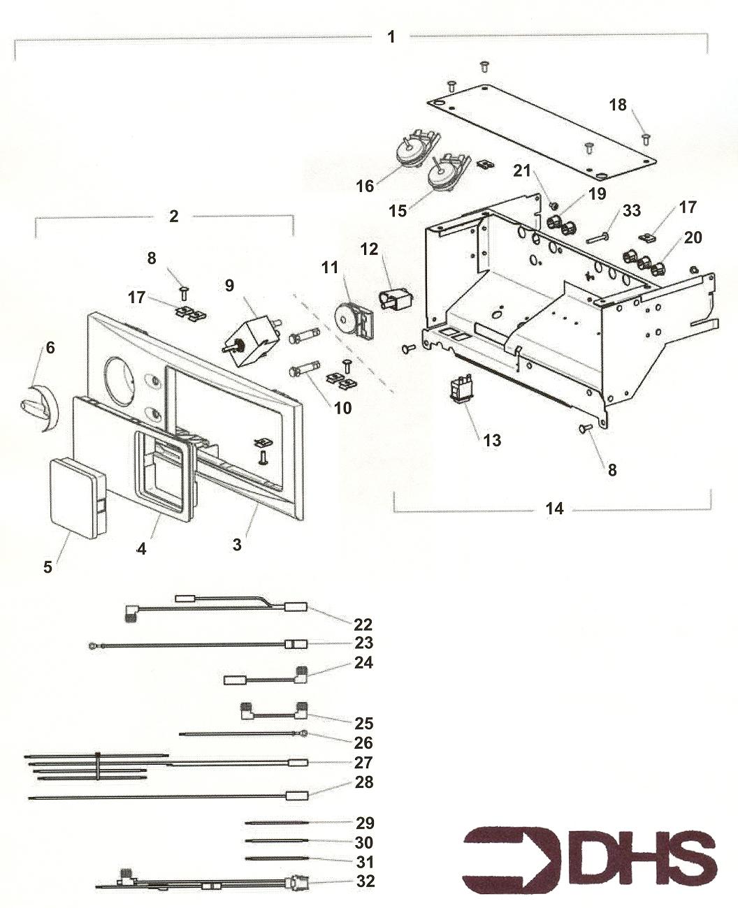
Here you can find the spare parts for the Worcester Greenstar D' Moor 18/25 Oil Boiler. Can't find the part you're looking for? You can contact us and a member of our team will be more than happy to help find the part you need.
All of our boiler manuals are free to download from our boiler manuals section
You can narrow your results further by choosing one of the following sub-appliances:




