Miscellaneous for Potterton Ultra 2 60 Prog

Brand: Potterton Range: ULTRA 2 Model: 60 PROG GC Number: 41-607-73

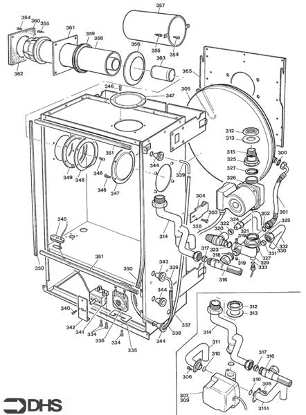
Here you will find all the spare parts for the Potterton Ultra 2 60 Prog. Can't find the part you're looking for? You can contact us and a member of our team will be more than happy to help find the part you need.

All of our boiler manuals are free to download from our boiler manuals section

You can narrow your results further by choosing one of the following sub-appliances:

359

POTTERTON 212217 WALL SEALING RING

Part No: 1120959 MPN: 212217

£33.60 inc VAT

Available in 5-7 working days

1 product found