Controls for Riello Rl50 654T1 3474620

Brand: Riello Range: RL50 Model: 654T1 3474620

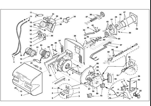
Here you will find all the spare parts for the Riello Rl50 654T1 3474620. Can't find the part you're looking for? You can contact us and a member of our team will be more than happy to help find the part you need.

All of our boiler manuals are free to download from our boiler manuals section

You can narrow your results further by choosing one of the following sub-appliances:

033

RIELLO CONTROL BOX BASE (RS AND RL)

Part No: 3202865 MPN: 3003784

£31.04 inc VAT

Available in 5-7 working days

1 product found