Electrodes for Ferroli Optima 2001
Brand: Ferroli Range: Optima Model: 2001 GC Number: 47-267-21
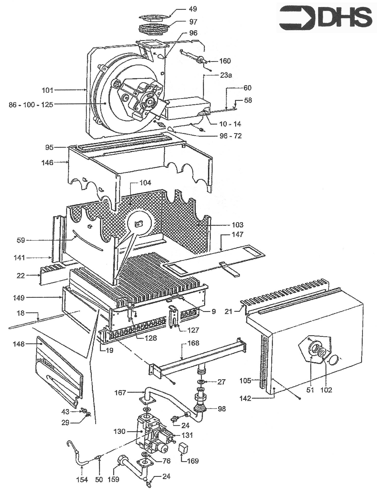
We have a range of spare parts for the Ferroli Optima 2001. Can't find the part you're looking for? You can contact us and a member of our team will be more than happy to help find the part you need.
Installation ManualAll of our boiler manuals are free to download from our boiler manuals section
You can narrow your results further by choosing one of the following sub-appliances:
