LPG Boiler Spares for Potterton Netaheat Profile 80E LPG (Page 6)

Brand: Potterton Range: NETAHEAT Model: Profile 80E LPG

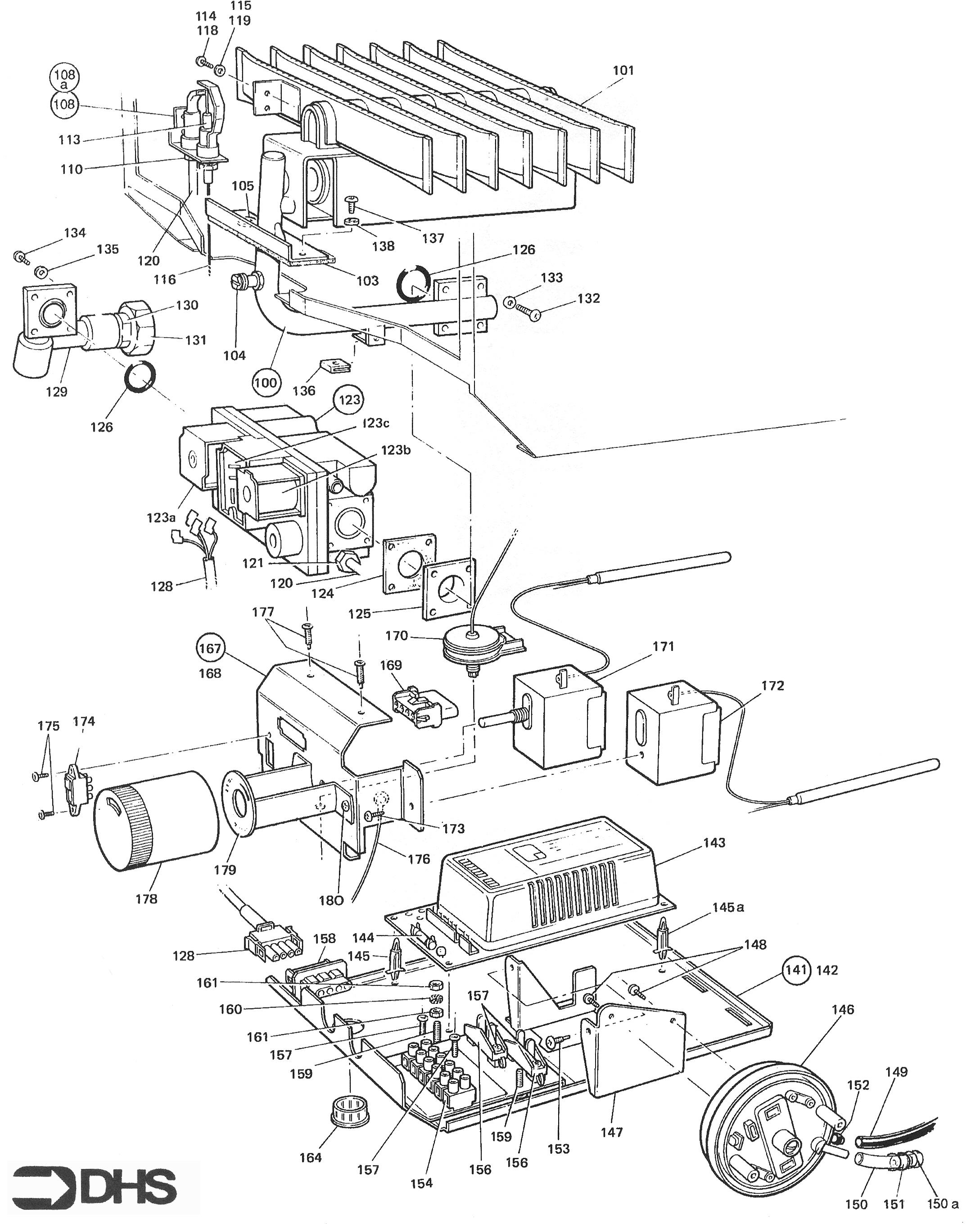
Here you can find the spare parts for the Potterton Netaheat Profile 80E LPG. Can't find the part you're looking for? You can contact us and a member of our team will be more than happy to help find the part you need.

All of our boiler manuals are free to download from our boiler manuals section

You can narrow your results further by choosing one of the following sub-appliances:

-

POTTERTON 212162 PUMP PLATE ASSY

Part No: 1120937 MPN: 212162

Sorry, this part is now obsolete

View Part Details
239B

POTTERTON 630343 EDGE CLIP PRESSURE TUBES

Part No: 1124128 MPN: 630343

Sorry, this part is now obsolete

View Part Details
19

POTTERTON 212328 CBLE.ASSEMBLY. BLUE X 76 LG.

Part No: 1120978 MPN: 212328

Sorry, this part is now obsolete

View Part Details
1

POTTERTON 212029 FAN PLATE ASSY.N/HEAT 80

Part No: 1120904 MPN: 212029

Sorry, this part is now obsolete

View Part Details
POTTERTON 907701 HEAT EXCHANGER ASSY, PRO 50 80 14

POTTERTON 907701 HEAT EXCHANGER ASSY, PRO 50 80

Part No: 1124698 MPN: 907701

Sorry, this part is now obsolete

View Part Details
-

POTTERTON 633927 SCREW PANPOZ M5X6 MS ZP

Part No: 1124206 MPN: 633927

Sorry, this part is now obsolete

View Part Details
POTTERTON 612828 SCREWNO8X9.5 ABPAN POZ SN 180

POTTERTON 612828 SCREWNO8X9.5 ABPAN POZ SN

Part No: 1123977 MPN: 612828

Sorry, this part is now obsolete

View Part Details
229

POTTERTON 213110 20MM PIPE SEALING PLTE GASKET

Part No: 1121091 MPN: 213110

Sorry, this part is now obsolete

View Part Details
100

POTTERTON 212175 GAS ARRGT.H/WELL.

Part No: 1120940 MPN: 212175

Sorry, this part is now obsolete

View Part Details
-

POTTERTON 212215 TERM.WALL LINER ASSEMBLY

Part No: 1120958 MPN: 212215

Sorry, this part is now obsolete

View Part Details
30

POTTERTON 212343 FLOW PIPE ASSEMBLY.28MM.

Part No: 1120981 MPN: 212343

Sorry, this part is now obsolete

View Part Details
POTTERTON 212084 FLUE ELBOW GASKET 7

POTTERTON 212084 FLUE ELBOW GASKET

Part No: 1120916 MPN: 212084

Sorry, this part is now obsolete

View Part Details
-

POTTERTON 630771 WALLPLUG FOR NO 12 SCREW

Part No: 1124137 MPN: 630771

Sorry, this part is now obsolete

View Part Details
6B

POTTERTON 612859 SCREW NO.6 20 X 7/16"S/DR

Part No: 1123985 MPN: 612859

Sorry, this part is now obsolete

View Part Details
100

POTTERTON 212178 GAS ARRGT.H/WELL

Part No: 1120943 MPN: 212178

Sorry, this part is now obsolete

View Part Details
158 products found