LPG Boiler Spares for Worcester Hiflo 400 FSP LPG Combi (Page 12)

Brand: Worcester Range: HIFLO Model: 400 FSP LPG Combi GC Number: 47-311-21

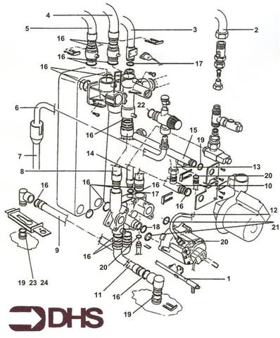
Here you will find all the spare parts for the Worcester Hiflo 400 FSP LPG Combi. Can't find the part you're looking for? You can contact us and a member of our team will be more than happy to help find the part you need.

Installation Manual

All of our boiler manuals are free to download from our boiler manuals section

You can narrow your results further by choosing one of the following sub-appliances:

015

WORCESTER 87161207710 PIPE - RET HEAT EX. TO PUMP ASSEMBLY

Part No: 1016363 MPN: 87161207710

Sorry, this part is now obsolete

View Part Details
NO KEY NO.

WORCESTER 87161430150 THERMOSTAT CARRIER

Part No: 1018605 MPN: 87161430150

Sorry, this part is now obsolete

View Part Details
WORCESTER 87161410990 FAN VENTURI 031

WORCESTER 87161410990 FAN VENTURI

Part No: 1017745 MPN: 87161410990

Sorry, this part is now obsolete

View Part Details
036

WORCESTER 87161402760 TAIL 15MMXG3/4

Part No: 1017339 MPN: 87161402760

Sorry, this part is now obsolete

View Part Details
WORCESTER 87161408240 O-RING 1.6 SEC X 19.1 I/D E.P. 018

WORCESTER 87161408240 O-RING 1.6 SEC X 19.1 I/D E.P.

Part No: 1017569 MPN: 87161408240

Sorry, this part is now obsolete

View Part Details
WORCESTER 87161212820 DIVERTER VALVE COIL ASSEMBLY NO KEY NO.

WORCESTER 87161212820 DIVERTER VALVE COIL ASSEMBLY

Part No: 1016829 MPN: 87161212820

Sorry, this part is now obsolete

View Part Details
013

WORCESTER 87161207010 OPEN VENT KIT

Part No: 1016275 MPN: 87161207010

Sorry, this part is now obsolete

View Part Details
WORCESTER 77161910310 STANDARD FLUE KIT-F106H1000 NO KEY NO.

WORCESTER 77161910310 STANDARD FLUE KIT-F106H1000

Part No: 1011401 MPN: 77161910310

Sorry, this part is now obsolete

View Part Details
WORCESTER 87161423400 T/STAT - RANCO K36-P1333 (HW) 007

WORCESTER 87161423400 T/STAT - RANCO K36-P1333 (HW)

Part No: 1018087 MPN: 87161423400

Sorry, this part is now obsolete

View Part Details
029

WORCESTER 87161402850 NUT-G3/4 CLAMPING BRASS

Part No: 1017345 MPN: 87161402850

Sorry, this part is now obsolete

View Part Details
NO KEY NO.

WORCESTER 87161208140 HARNESS - GAS VALVE (MAIN)

Part No: 1016413 MPN: 87161208140

Sorry, this part is now obsolete

View Part Details
012

WORCESTER 87161006830 DRAIN COCK BRACKET

Part No: 1013459 MPN: 87161006830

Sorry, this part is now obsolete

View Part Details
NO KEY NO.

WORCESTER 87161213080 HARNESS - CENT. HEAT STAT

Part No: 1016839 MPN: 87161213080

Sorry, this part is now obsolete

View Part Details
NO KEY NO.

WORCESTER 87161207060 FAN RESTRICTOR ASSEMBLY

Part No: 1016281 MPN: 87161207060

Sorry, this part is now obsolete

View Part Details
WORCESTER 87161423620 T/STAT T/DISC 60T13500103 012

WORCESTER 87161423620 T/STAT T/DISC 60T13500103

Part No: 1018115 MPN: 87161423620

Sorry, this part is now obsolete

View Part Details
180 products found