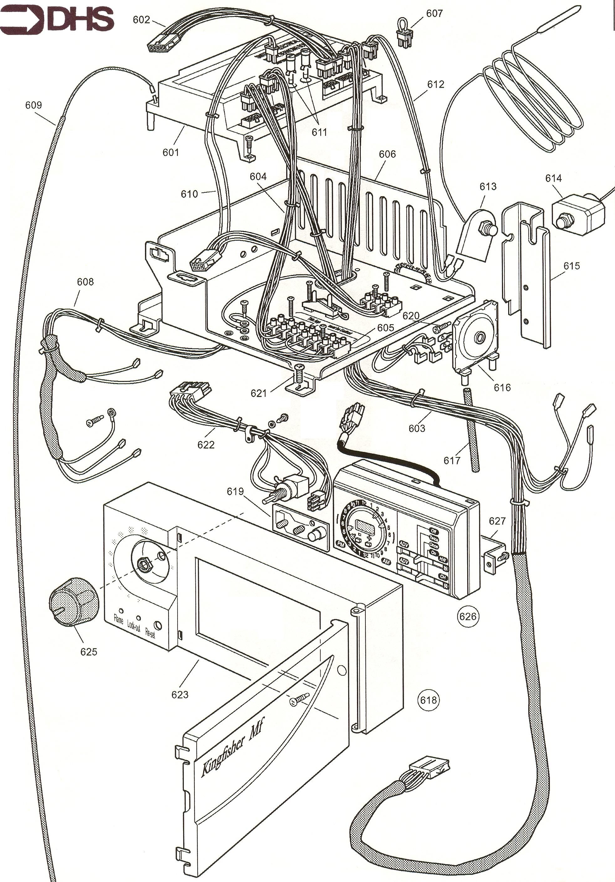
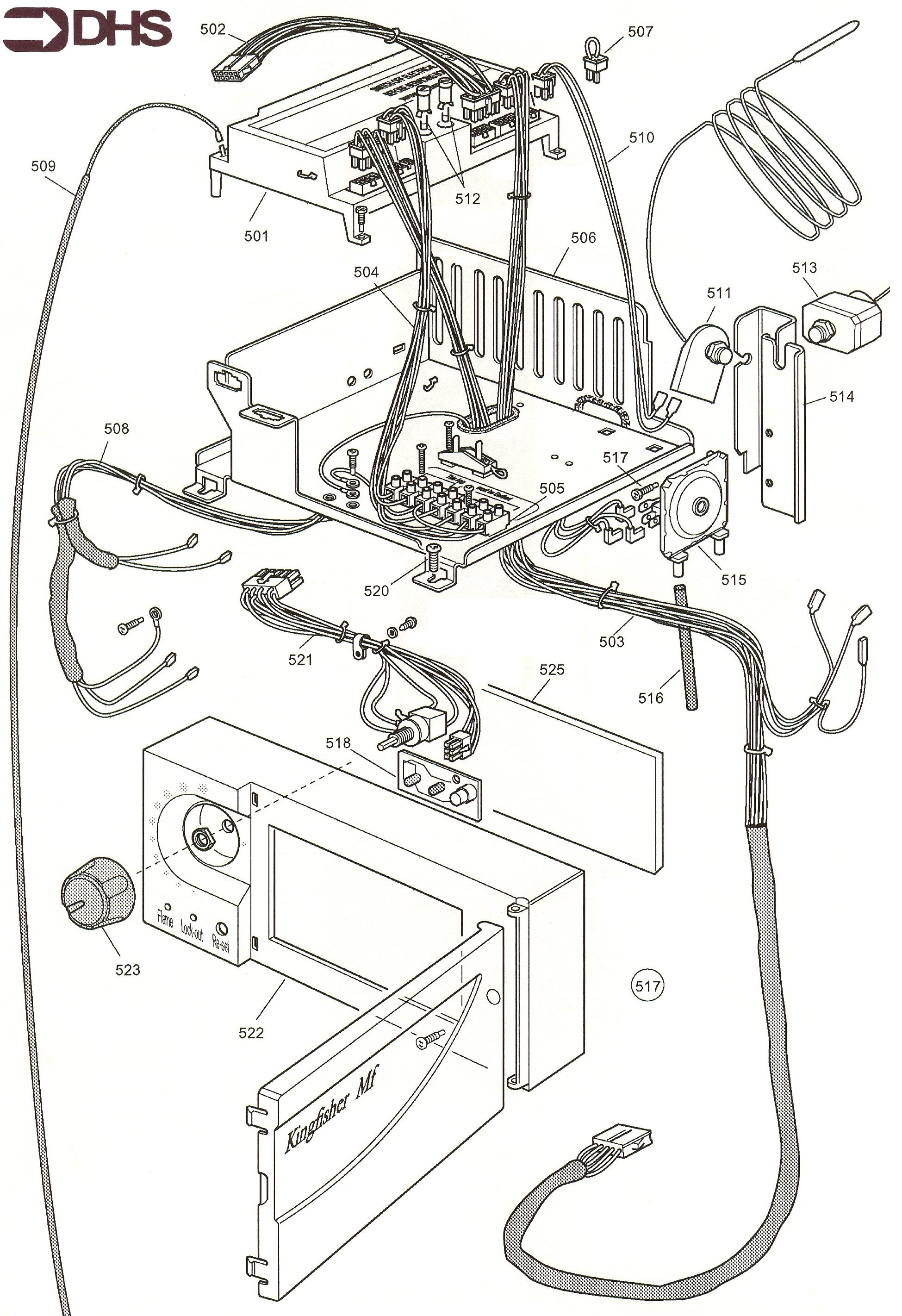
Printed Circuit Board for Potterton Kingfisher Mf RS 50

Brand: Potterton Range: KINGFISHER MF Model: RS 50 GC Number: 41-393-95

Here you can find the spare parts for the Potterton Kingfisher Mf RS 50. Can't find the part you're looking for? You can contact us and a member of our team will be more than happy to help find the part you need.

All of our boiler manuals are free to download from our boiler manuals section

You can narrow your results further by choosing one of the following sub-appliances:

POTTERTON 900312 KINGFISHER PCB 501

POTTERTON 900312 KINGFISHER PCB

Part No: 1124551 MPN: 900312

£247.20 inc VAT

In stock - Next day delivery available

POTTERTON 900313 KINGFISHER USER 518

POTTERTON 900313 KINGFISHER USER

Part No: 1124552 MPN: 900313

Sorry, this part is now obsolete

View Part Details
2 products found