Pilot Burners for Baxi Bermuda 41299

Brand: Baxi Range: Bermuda Model: 41299 GC Number: 44-077-51

We have a wide range of spare parts for the Baxi Bermuda 41299. Can't find the part you're looking for? You can contact us and a member of our team will be more than happy to help find the part you need.

All of our boiler manuals are free to download from our boiler manuals section

You can narrow your results further by choosing one of the following sub-appliances:

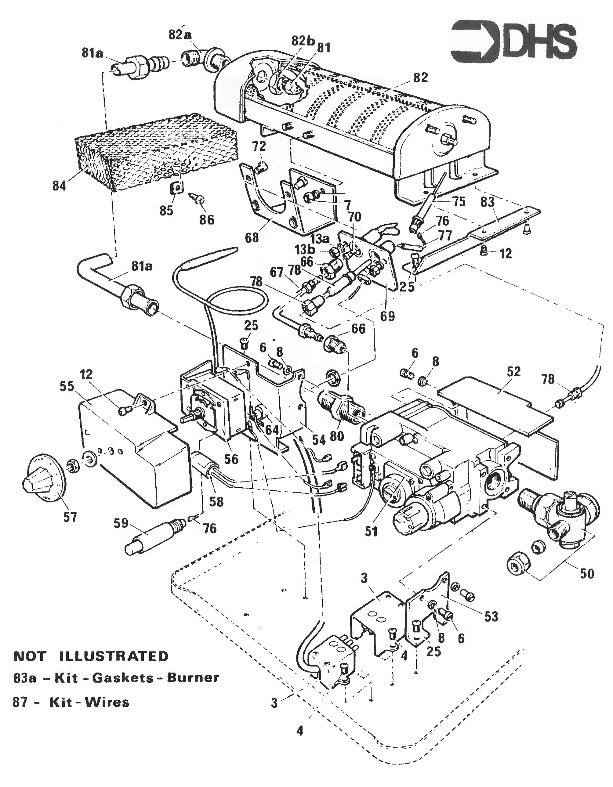
HONEYWELL Q359A1041 PILOT BURNER 069

HONEYWELL Q359A1041 PILOT BURNER

Part No: 1902250 MPN: 077868

Sorry, this part is now obsolete

View Part Details
068

BAXI 040839 BRKT PILOT BURNER 401

Part No: 1110166 MPN: 040839

Sorry, this part is now obsolete

View Part Details
BAXI 040066 PIPE PILOT FD/NUTS OLIVES 067

BAXI 040066 PIPE PILOT FD/NUTS OLIVES

Part No: 1110024 MPN: 040066

Sorry, this part is now obsolete

View Part Details
3 products found