Controls for Glowworm Spacesaver MK1 50-60 F

Brand: Glowworm Range: SPACESAVER Model: MK1 50-60 F GC Number: 41-313-69

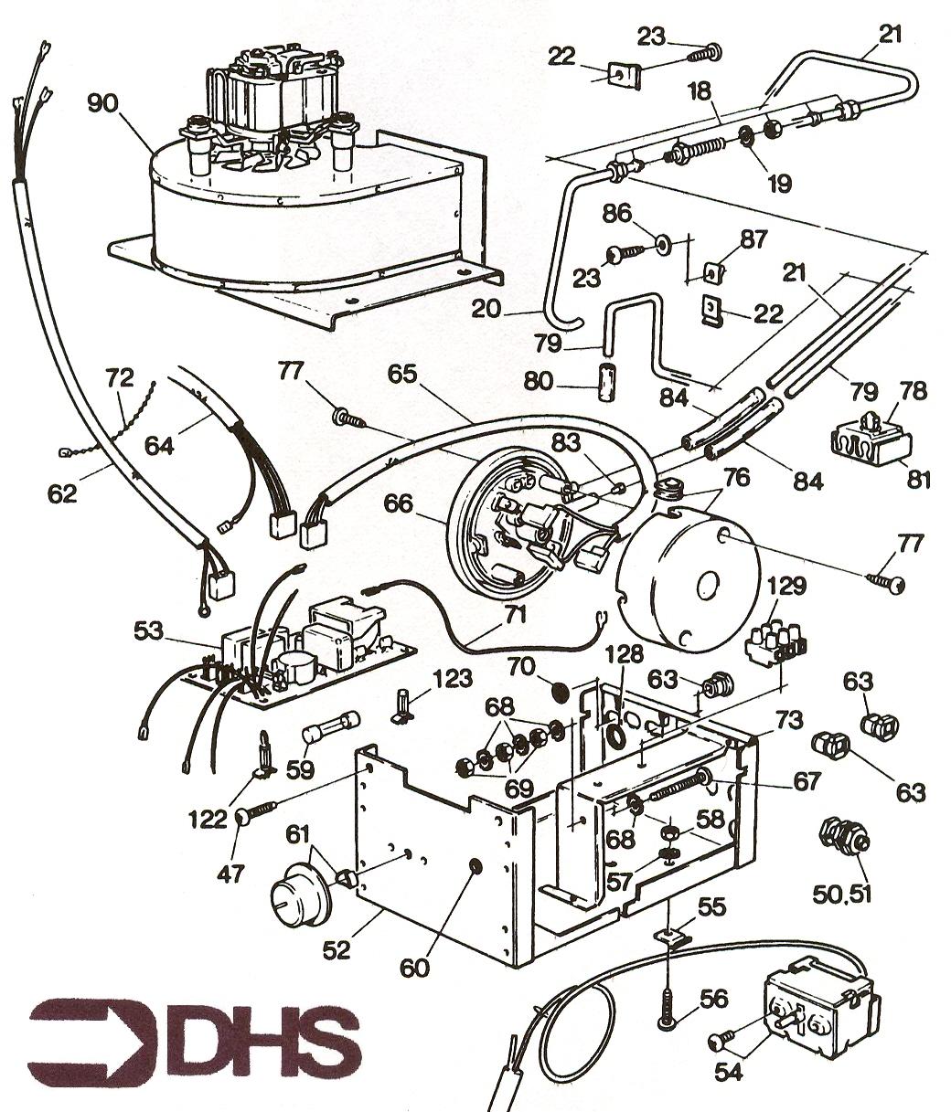
We have a wide range of spare parts for the Glowworm Spacesaver MK1 50-60 F. Can't find the part you're looking for? You can contact us and a member of our team will be more than happy to help find the part you need.

All of our boiler manuals are free to download from our boiler manuals section

You can narrow your results further by choosing one of the following sub-appliances:

052

GLOWWORM S419717 CONTROL BOX ASSY SS30 60F

Part No: 1335351 MPN: S419717

Sorry, this part is now obsolete

View Part Details
1 product found