Controls for Riello 40 Combi 130 459T55

Brand: Riello Range: 40 Model: Combi 130 459T55

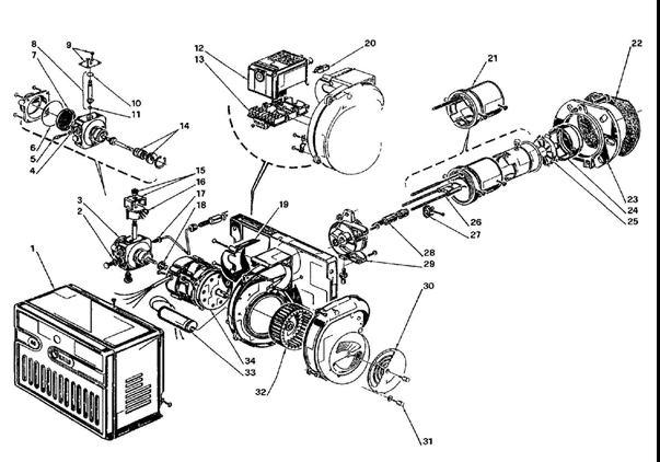
Here you can find the spare parts for the Riello 40 Combi 130 459T55. Can't find the part you're looking for? You can contact us and a member of our team will be more than happy to help find the part you need.

All of our boiler manuals are free to download from our boiler manuals section

You can narrow your results further by choosing one of the following sub-appliances:

Riello RBS40A Capacitor - P2 4Uf - Cabinet HTR/Statesman/Mectron 33

Riello RBS40A Capacitor - P2 4Uf - Cabinet HTR/Statesman/Mectron

Part No: 3206653 MPN: RBS40A

£18.23 inc VAT

In stock - Next day delivery available

1 product found