Controls for Riello 40 G2 426T50 3742650

Brand: Riello Range: 40 Model: G2 426T50 3742650

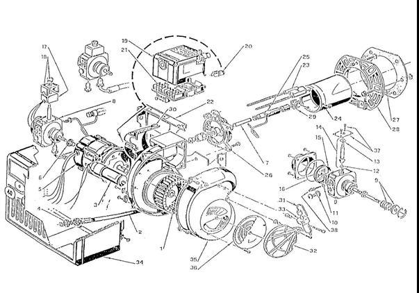
We have a wide range of spare parts for the Riello 40 G2 426T50 3742650. Can't find the part you're looking for? You can contact us and a member of our team will be more than happy to help find the part you need.

All of our boiler manuals are free to download from our boiler manuals section

You can narrow your results further by choosing one of the following sub-appliances:

Riello RBS40A Capacitor - P2 4Uf - Cabinet HTR/Statesman/Mectron 003

Riello RBS40A Capacitor - P2 4Uf - Cabinet HTR/Statesman/Mectron

Part No: 3206653 MPN: RBS40A

£18.23 inc VAT

In stock - Next day delivery available

1 product found