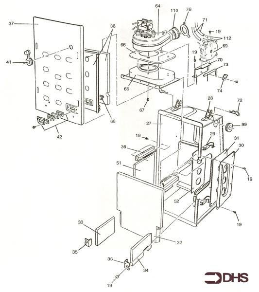
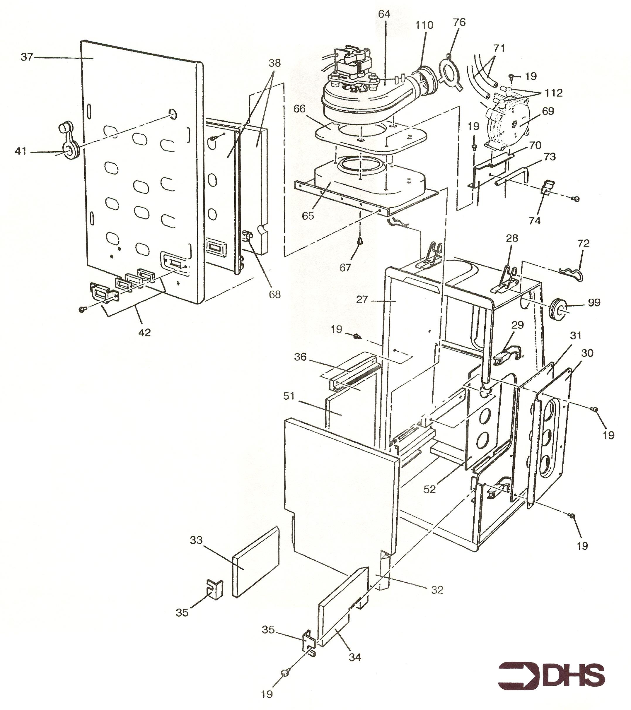
Heat Exchanger for Baxi Solo 3 PF 50

Brand: Baxi Range: Solo 3 Model: PF 50 GC Number: 41-075-06

We have a range of spare parts for the Baxi Solo 3 PF 50. Can't find the part you're looking for? You can contact us and a member of our team will be more than happy to help find the part you need.

All of our boiler manuals are free to download from our boiler manuals section

You can narrow your results further by choosing one of the following sub-appliances:

BAXI 230958 SEAL HEAT EXCHANGER TO COMB BOX PF MK 2 31

BAXI 230958 SEAL HEAT EXCHANGER TO COMB BOX PF MK 2

Part No: 1112150 MPN: 230958

£49.03 inc VAT

Available in 5-7 working days

BAXI 7683447 RETAINER INSULATION 35

BAXI 7683447 RETAINER INSULATION

Part No: 1119337 MPN: 7683447

Sorry, this part is now obsolete

View Part Details
30

BAXI 230877 PLATE RETAINING HEAT EXCHANGER

Part No: 1112124 MPN: 230877

Sorry, this part is now obsolete

View Part Details
BAXI 246044 KIT HEAT EXCHANGER SMALL 47

BAXI 246044 KIT HEAT EXCHANGER SMALL

Part No: 1115870 MPN: 246044

Sorry, this part is now obsolete

View Part Details
4 products found