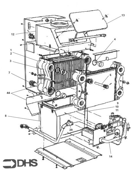
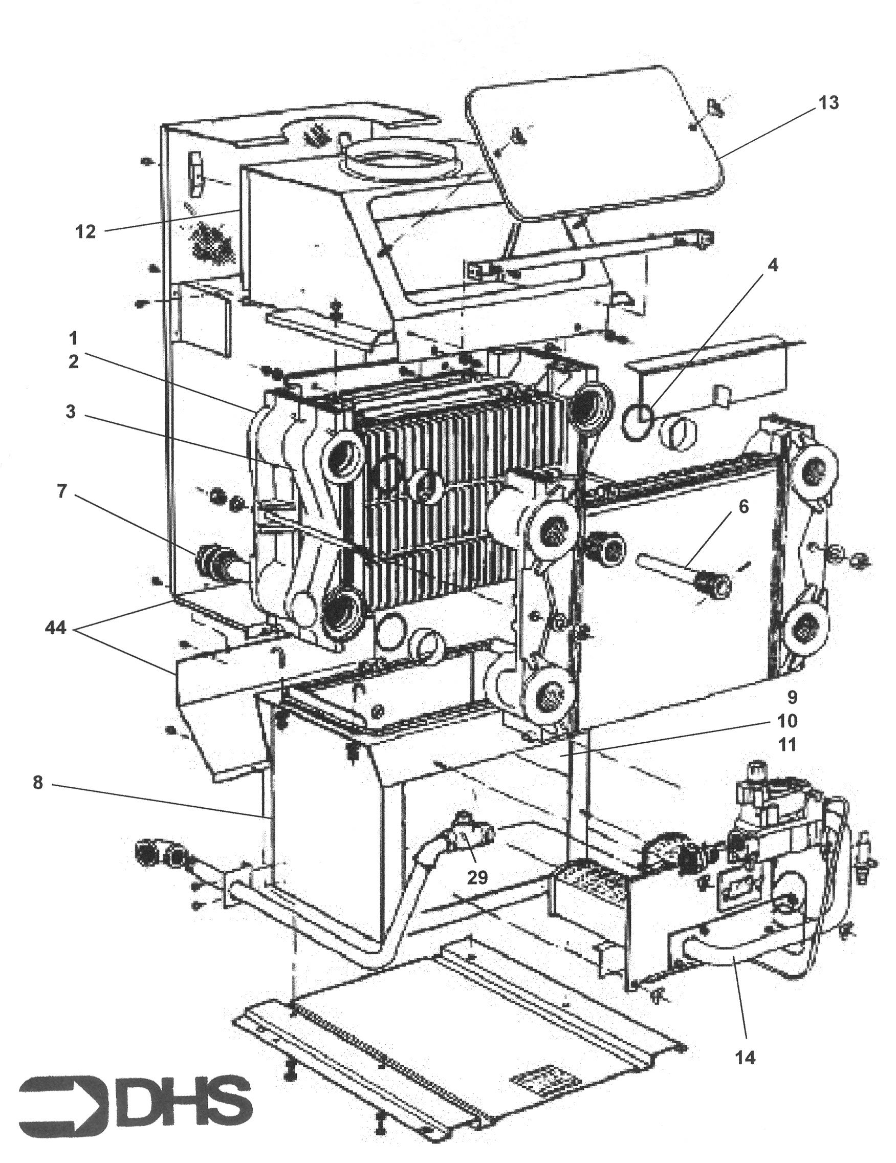
Heat Exchanger for Ideal Domestic Mexico Super CF 140

Brand: Ideal Domestic Range: MEXICO Super Model: CF 140

We have a range of spare parts for the Ideal Domestic Mexico Super CF 140. Can't find the part you're looking for? You can contact us and a member of our team will be more than happy to help find the part you need.

All of our boiler manuals are free to download from our boiler manuals section

You can narrow your results further by choosing one of the following sub-appliances:

1

IDEAL 135743 HEAT EXCHANGER ASS:MX2 6 SCTN

Part No: 1176403 MPN: 135743

Sorry, this part is now obsolete

View Part Details
1 product found