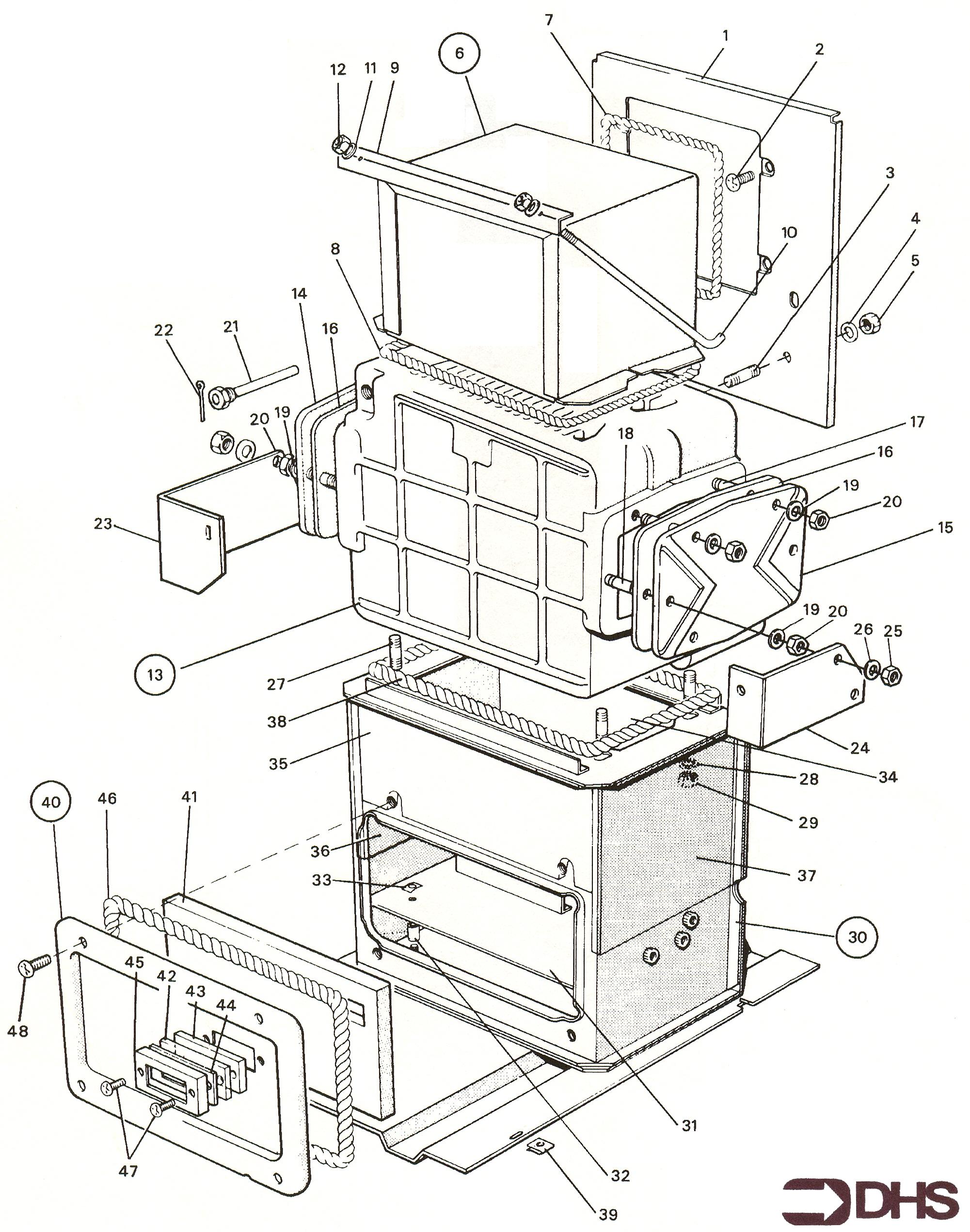
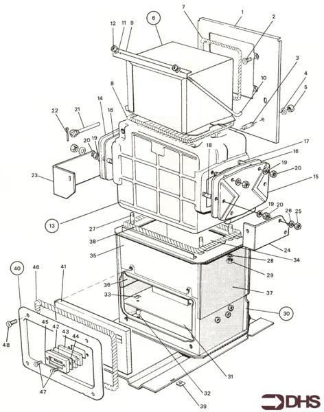
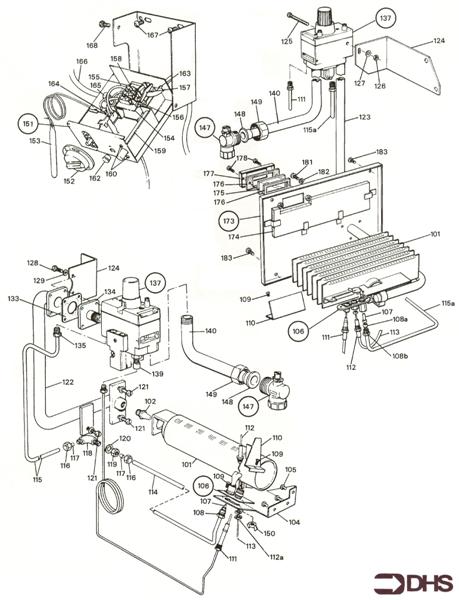
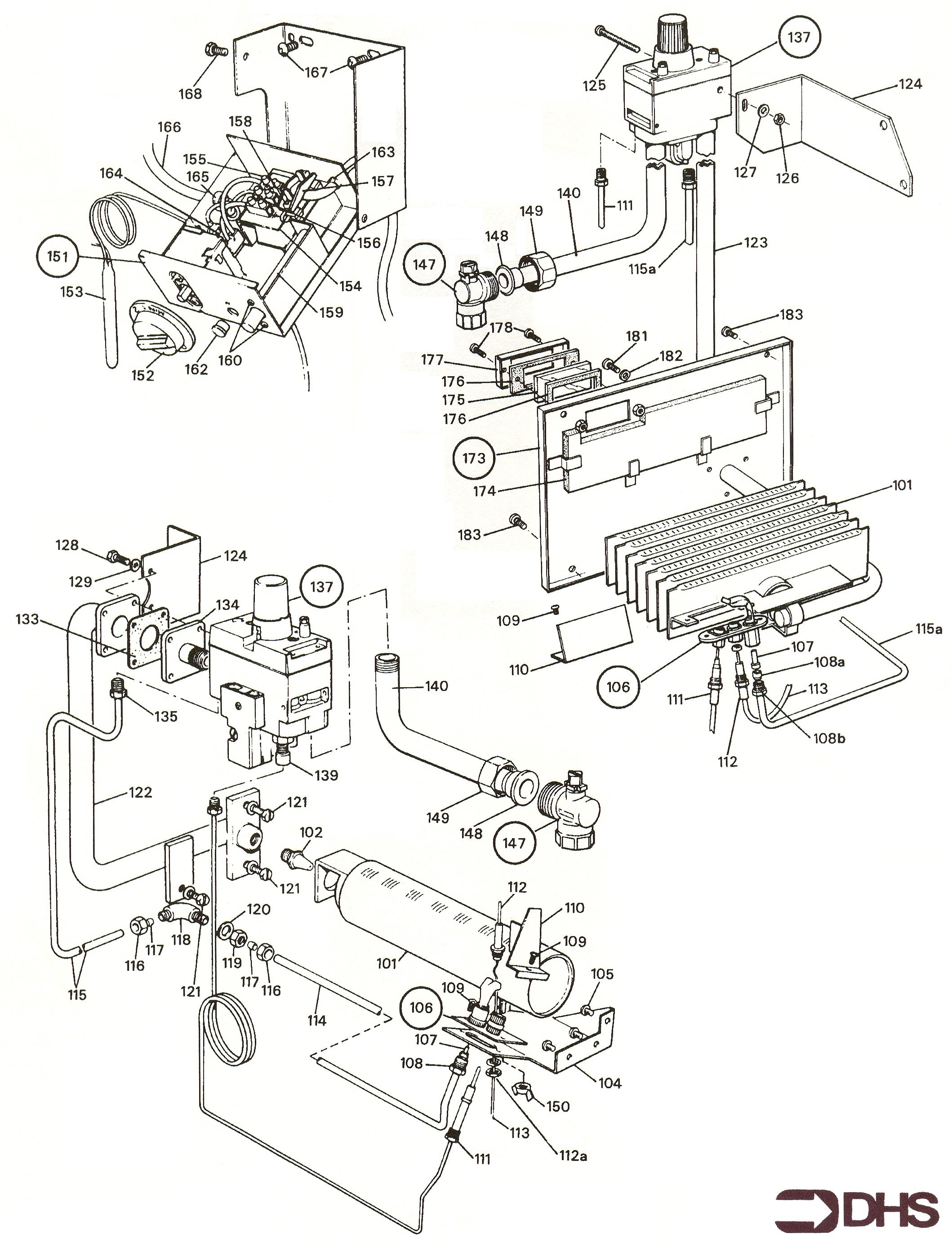
Thermostats for Potterton Kingfisher 2 RS 50(Ttb)

Brand: Potterton Range: KINGFISHER 2 Model: RS 50(TTB) GC Number: 41-607-46

We offer a wide range of spare parts for the Potterton Kingfisher 2 RS 50(Ttb). Can't find the part you're looking for? You can contact us and a member of our team will be more than happy to help find the part you need.

All of our boiler manuals are free to download from our boiler manuals section

You can narrow your results further by choosing one of the following sub-appliances:

POTTERTON 404486 BOILER THERMOSTAT 153

POTTERTON 404486 BOILER THERMOSTAT

Part No: 1122501 MPN: 404486

Sorry, this part is now obsolete

View Part Details
POTTERTON 404492 OVERHEAT THERMOSTAT 171

POTTERTON 404492 OVERHEAT THERMOSTAT

Part No: 1122503 MPN: 404492

Sorry, this part is now obsolete

View Part Details
021

POTTERTON 206750 THERMOSTAT POCKET ASSY

Part No: 1120821 MPN: 206750

Sorry, this part is now obsolete

View Part Details
153

POTTERTON 404491 STAT C/W PUMP O/RUN 78C

Part No: 1122502 MPN: 404491

Sorry, this part is now obsolete

View Part Details
4 products found