Thermostats for Ravenheat RSF 82ET
Brand: Ravenheat Range: RSF Model: 82ET GC Number: 47-581-04
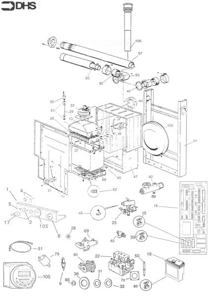
Here you will find all the spare parts for the Ravenheat RSF 82ET. Can't find the part you're looking for? You can contact us and a member of our team will be more than happy to help find the part you need.
All of our boiler manuals are free to download from our boiler manuals section
You can narrow your results further by choosing one of the following sub-appliances:

RAVENHEAT 0007TER08005/0 OVERHEAT STAT AUTO RESET-0204 20/20 CSI
Part No: 1841361 MPN: 0007TER08005/0