Screws, Nuts, Bolts & Clips for Glowworm Fuelsaver UFB 30 B (Page 2)

Brand: Glowworm Range: FUELSAVER Model: UFB 30 B GC Number: 41-319-32

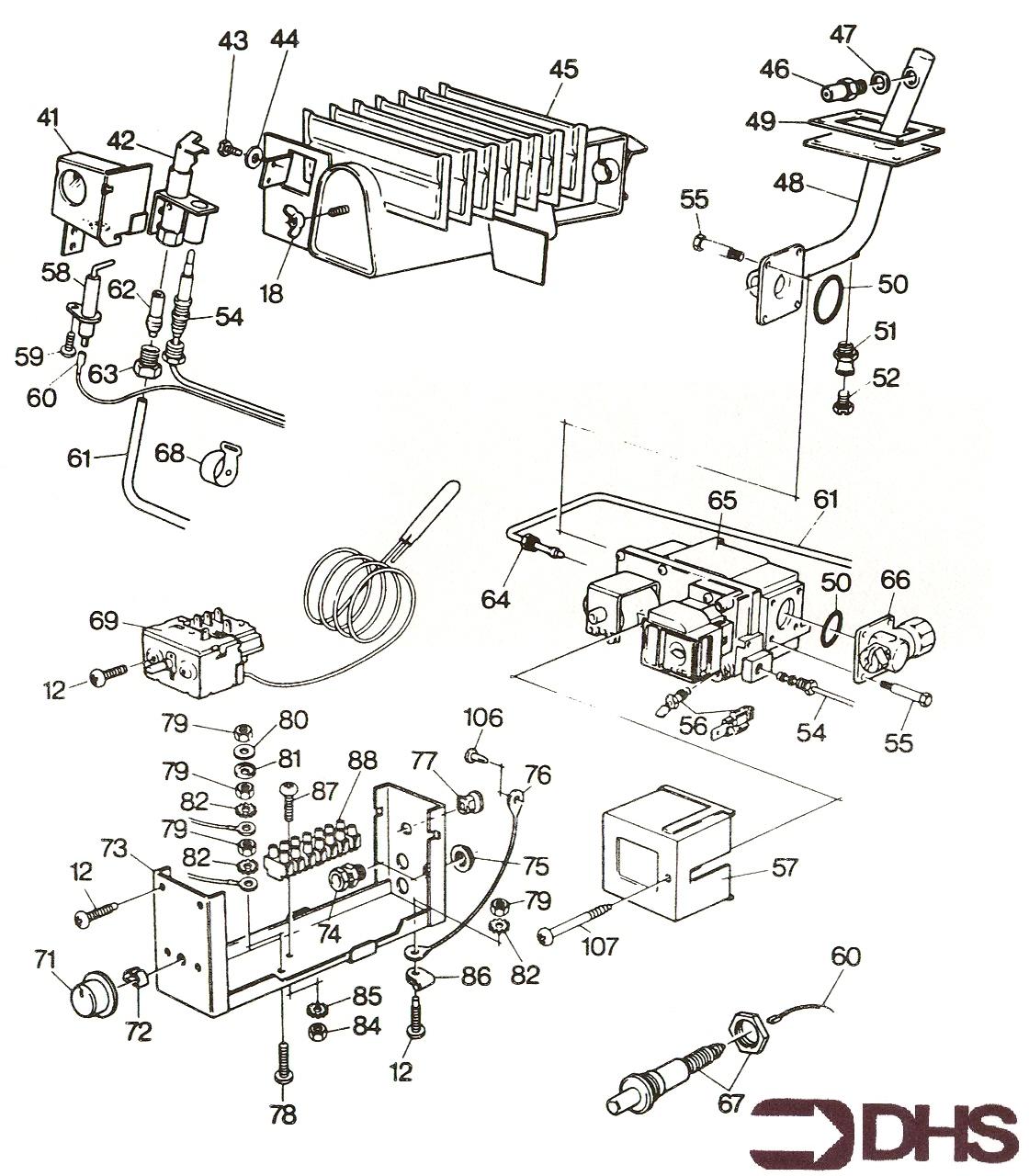
We have a wide range of spare parts for the Glowworm Fuelsaver UFB 30 B. Can't find the part you're looking for? You can contact us and a member of our team will be more than happy to help find the part you need.

All of our boiler manuals are free to download from our boiler manuals section

You can narrow your results further by choosing one of the following sub-appliances:

GLOWWORM SK8112 NUT SPIRE CAPT NO8 005

GLOWWORM SK8112 NUT SPIRE CAPT NO8

Part No: 1336920 MPN: SK8112

£8.51 inc VAT

Available in 5-7 working days

037

GLOWWORM SK8679 SCREW M5X35MM MS PN REC

Part No: 1336933 MPN: SK8679

Sorry, this part is now obsolete

View Part Details
107

GLOWWORM S203306 GAS CONTROL SCREW

Part No: 1333760 MPN: S203306

Sorry, this part is now obsolete

View Part Details
GLOWWORM 2000800884 TEST NIPPLE & SCREW 051

GLOWWORM 2000800884 TEST NIPPLE & SCREW

Part No: 1337233 MPN: 2000800884

£8.72 inc VAT

In stock - Next day delivery available

GLOWWORM S204184 TUBING NUT 7/16 X 24UNS 063

GLOWWORM S204184 TUBING NUT 7/16 X 24UNS

Part No: 1333860 MPN: S204184

Sorry, this part is now obsolete

View Part Details
023

GLOWWORM S411034 LOCKNUT 7/8 BSP

Part No: 1335184 MPN: S411034

Sorry, this part is now obsolete

View Part Details
068

GLOWWORM SK1817 CLIP BUCKLE METWAY TYPE XC5

Part No: 1336762 MPN: SK1817

Sorry, this part is now obsolete

View Part Details
078

GLOWWORM S208281 SCREW M4X20MM MS PN REC

Part No: 1334285 MPN: S208281

Sorry, this part is now obsolete

View Part Details
GLOWWORM S208378 SCREW M5X10MM S/ST WSHD 095

GLOWWORM S208378 SCREW M5X10MM S/ST WSHD

Part No: 1334311 MPN: S208378

£6.59 inc VAT

In stock - Next day delivery available

043

GLOWWORM S208408 SCREW M5X6MM BRS HX SLT

Part No: 1334320 MPN: S208408

Sorry, this part is now obsolete

View Part Details
118

GLOWWORM SK8270 NUT SPIRE CAPT NO6

Part No: 1336926 MPN: SK8270

Sorry, this part is now obsolete

View Part Details
112

GLOWWORM S403014 SCREW M4X8MM MS PN REC

Part No: 1335165 MPN: S403014

Sorry, this part is now obsolete

View Part Details
087

GLOWWORM SK8859 SCREW M3X10MM MS PN REC BZP

Part No: 1336941 MPN: SK8859

Sorry, this part is now obsolete

View Part Details
020

GLOWWORM S204101 UNION NUT 22MM

Part No: 1333848 MPN: S204101

Sorry, this part is now obsolete

View Part Details
016

GLOWWORM S416026 HOOK BOLT

Part No: 1335202 MPN: S416026

Sorry, this part is now obsolete

View Part Details
35 products found