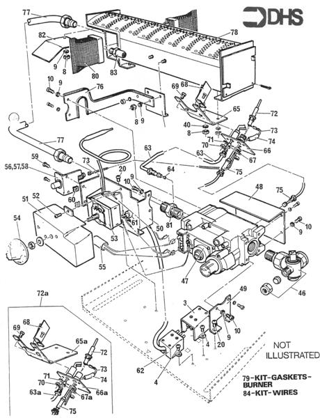
Screws, Nuts, Bolts & Clips for Baxi Bermuda C With Bermuda 551 Or 552
Brand: Baxi Range: Bermuda Model: C With Bermuda 551 or 552 GC Number: 32-077-11
We have a wide range of spare parts for the Baxi Bermuda C With Bermuda 551 Or 552. Can't find the part you're looking for? You can contact us and a member of our team will be more than happy to help find the part you need.
All of our boiler manuals are free to download from our boiler manuals section
You can narrow your results further by choosing one of the following sub-appliances:

Baxi 062532 Screw Tf M4 x 8mm Pan Pozi Zinc Plated - Bermuda/Barcelona/Boston
Part No: 1110602 MPN: 062532
052
Baxi 062560 Screw Tf M4 x 6mm Pan Pozi Zinc Plated - Bermuda/Apollo/Gas Flame
Part No: 1110612 MPN: 062560
013
Baxi 062583 Screw Tf M5 x 10mm Pn Hd Pz S Zinc Plated - Boston/Bermuda/Solo HE
Part No: 1110620 MPN: 062583