Uncategorised for Vaillant Thermocompact VC 112 E (88-98) (Page 3)

Brand: Vaillant Range: THERMOCompact Model: VC 112 E (88-98) GC Number: 41-044-02

We have a range of spare parts for the Vaillant Thermocompact VC 112 E (88-98). Can't find the part you're looking for? You can contact us and a member of our team will be more than happy to help find the part you need.

All of our boiler manuals are free to download from our boiler manuals section

You can narrow your results further by choosing one of the following sub-appliances:

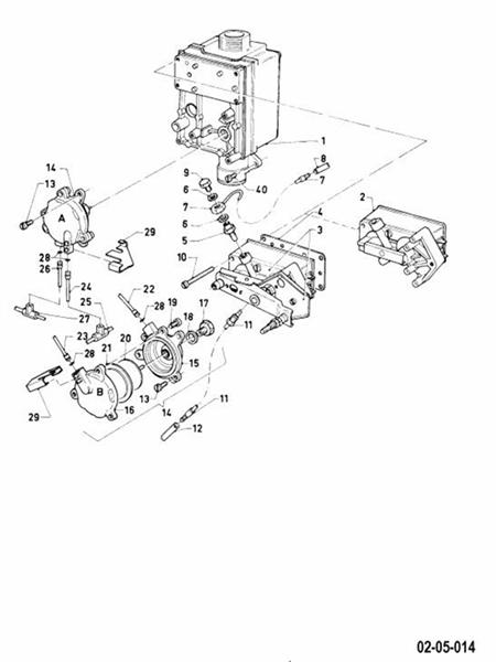
010

VAILLANT 081056 CONNECTION, CPL.

Part No: 1372973 MPN: 081056

Sorry, this part is now obsolete

View Part Details
001

VAILLANT 183974 DISTRIBUTOR TUBE

Part No: 1376728 MPN: 183974

Sorry, this part is now obsolete

View Part Details
042

VAILLANT 084280 FLOW SWITCH CONDUCTION

Part No: 1373115 MPN: 084280

Sorry, this part is now obsolete

View Part Details
003

VAILLANT 208672 COVERING PLATE

Part No: 1377164 MPN: 208672

Sorry, this part is now obsolete

View Part Details
028

VAILLANT 085859 SUPPORT

Part No: 1373185 MPN: 085859

Sorry, this part is now obsolete

View Part Details
022

VAILLANT 210654 INSULATION PLATE

Part No: 1377180 MPN: 210654

Sorry, this part is now obsolete

View Part Details
003

VAILLANT 040467 BURNER CHAMBER GROUP

Part No: 1372349 MPN: 040467

Sorry, this part is now obsolete

View Part Details
007

VAILLANT 089105 CONNECTION TUBE

Part No: 1373281 MPN: 089105

Sorry, this part is now obsolete

View Part Details
38 products found