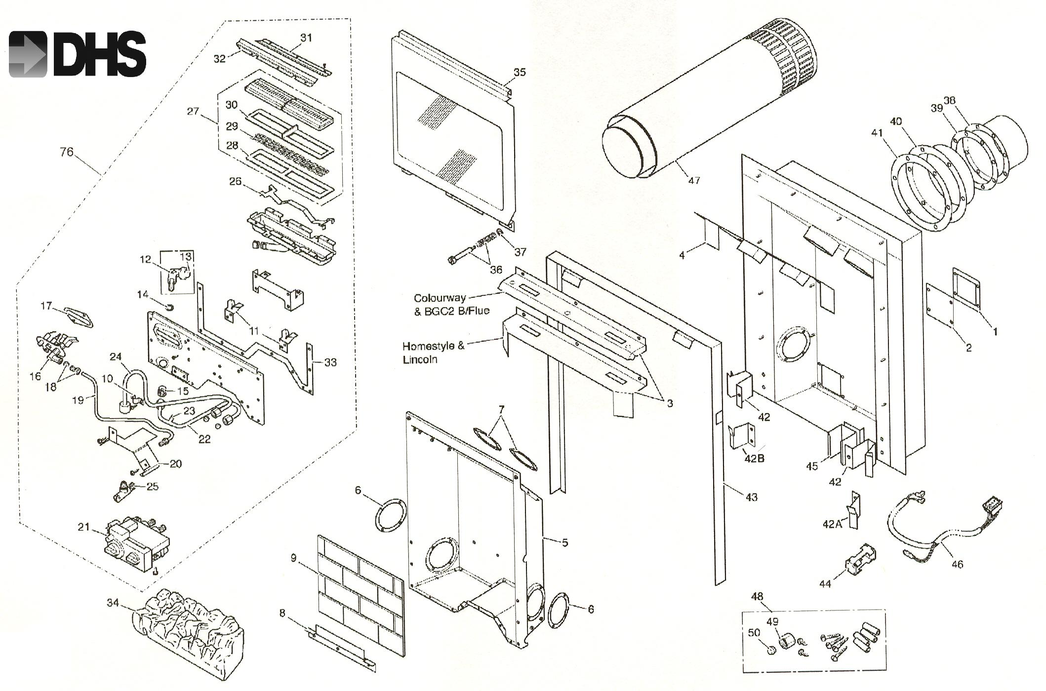
Miscellaneous for Valor Homestyle Inset Bf Model 540 (Page 4)

Brand: Valor Range: HOMEStyle Model: INSET BF Model 540 GC Number: 32-032-20

Here you will find all the spare parts for the Valor Homestyle Inset Bf Model 540. Can't find the part you're looking for? You can contact us and a member of our team will be more than happy to help find the part you need.

All of our boiler manuals are free to download from our boiler manuals section

You can narrow your results further by choosing one of the following sub-appliances:

031

VALOR 572249 BURNER CLAMP

Part No: 1143180 MPN: 0572249

Sorry, this part is now obsolete

View Part Details
46 products found