Miscellaneous for Baxi Barbican

Brand: Baxi Range: Barbican GC Number: 32-077-20

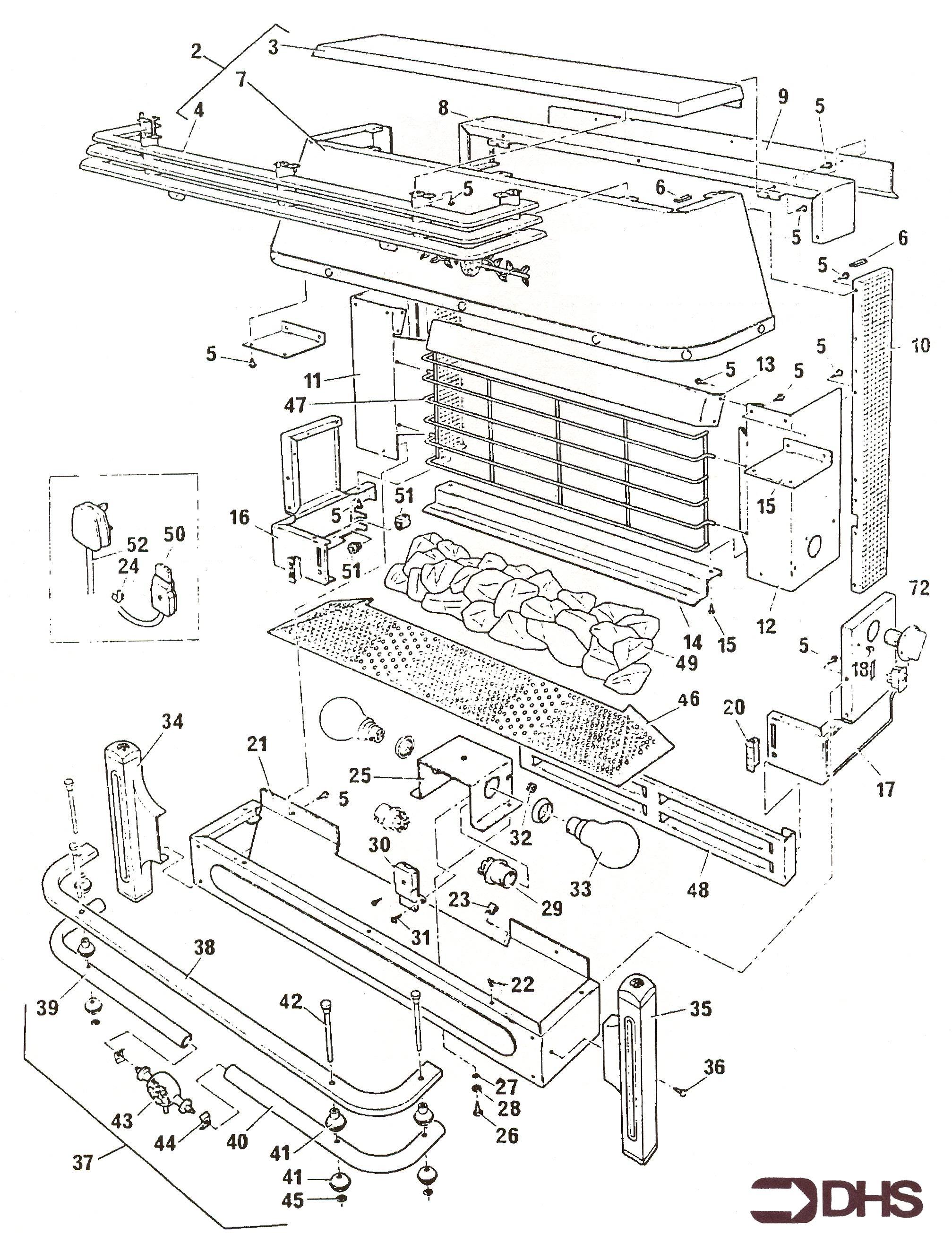
We have a wide range of spare parts for the Baxi Barbican. Can't find the part you're looking for? You can contact us and a member of our team will be more than happy to help find the part you need.

All of our boiler manuals are free to download from our boiler manuals section

You can narrow your results further by choosing one of the following sub-appliances:

BAXI 043028 INJECTOR 160S 088

BAXI 043028 INJECTOR 160S

Part No: 1110396 MPN: 043028

Sorry, this part is now obsolete

View Part Details
071

BAXI 090078 BRKT WALL MOUNTING BARBICAN

Part No: 1110778 MPN: 090078

Sorry, this part is now obsolete

View Part Details
051

BAXI 092062 CABLE CLAMP ENOTS 340218 03

Part No: 1110848 MPN: 092062

Sorry, this part is now obsolete

View Part Details
020

BAXI 102104 CATCH MAG DOOR WM532 381RS

Part No: 1110984 MPN: 102104

Sorry, this part is now obsolete

View Part Details
BAXI 5134533 PLUG 3 PIN 050

BAXI 5134533 PLUG 3 PIN

Part No: 1118410 MPN: 5134533

Sorry, this part is now obsolete

View Part Details
041

BAXI 040797 KIT SPACER.BALL BERMUDA.B

Part No: 1110144 MPN: 040797

Sorry, this part is now obsolete

View Part Details
049

BAXI 043024 CULLET GLASS 4 KILO BER B

Part No: 1110390 MPN: 043024

Sorry, this part is now obsolete

View Part Details
035

BAXI 043133 LEG FINIAL/ADJ.FOOT RH BER.B

Part No: 1110470 MPN: 043133

Sorry, this part is now obsolete

View Part Details
084

BAXI 092060 ELBOW INLET 1/4 BSPT FX6MM FL.

Part No: 1110846 MPN: 092060

Sorry, this part is now obsolete

View Part Details
052

BAXI 092126 CABLE & PLUG ASSY BAXI W.S.

Part No: 1110894 MPN: 092126

Sorry, this part is now obsolete

View Part Details
BAXI 5111819 LAMPHOLDER COMPLETE 029

BAXI 5111819 LAMPHOLDER COMPLETE

Part No: 1117814 MPN: 5111819

Sorry, this part is now obsolete

View Part Details
030

BAXI 040629 PLUG 3 PIN & LEADS BERMUDA B

Part No: 1110092 MPN: 040629

Sorry, this part is now obsolete

View Part Details
047

BAXI 043023 GUARD DRESS BERMUDA B

Part No: 1110388 MPN: 043023

Sorry, this part is now obsolete

View Part Details
13 products found