Controls for Riello Rl70 660T1 3475018
Brand: Riello Range: RL70 Model: 660T1 3475018
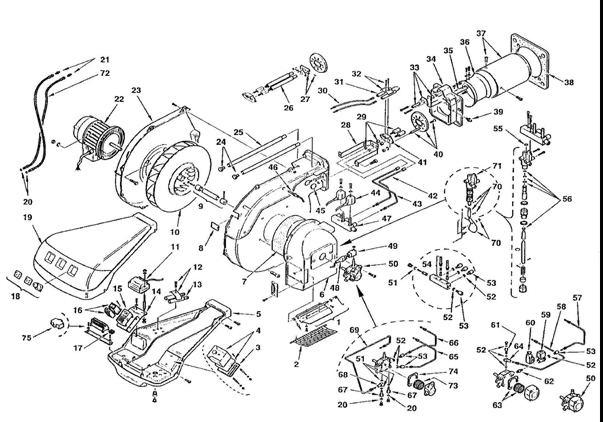
We have a wide range of spare parts for the Riello Rl70 660T1 3475018. Can't find the part you're looking for? You can contact us and a member of our team will be more than happy to help find the part you need.
All of our boiler manuals are free to download from our boiler manuals section
You can narrow your results further by choosing one of the following sub-appliances:
