Gas Boiler Spares for Baxi Floor Standing RS 701S
Brand: Baxi Range: Floor Standing Model: RS 701S GC Number: 41-077-26
We have a wide range of spare parts for the Baxi Floor Standing RS 701S. Can't find the part you're looking for? You can contact us and a member of our team will be more than happy to help find the part you need.
All of our boiler manuals are free to download from our boiler manuals section
You can narrow your results further by choosing one of the following sub-appliances:
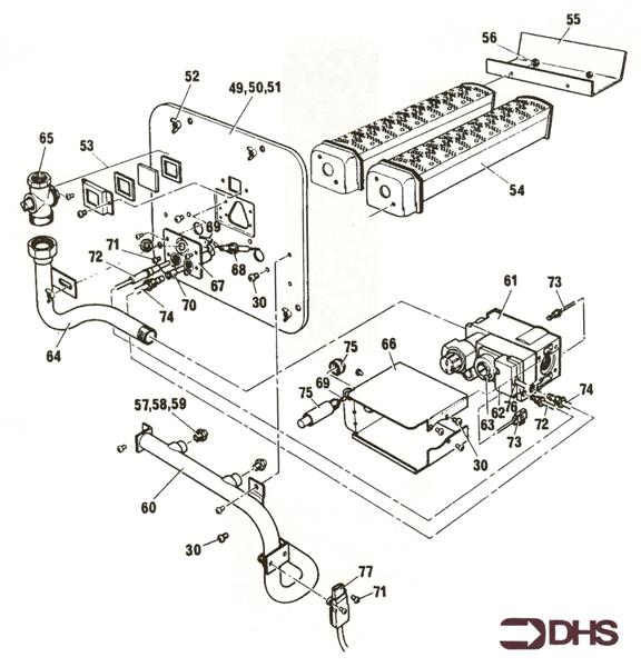
072 Baxi 102005 Thermocouple - 18/24 Honeywell Q309A2721 STD - Bermuda/Brazilia
Part No: 1110952 MPN: 102005
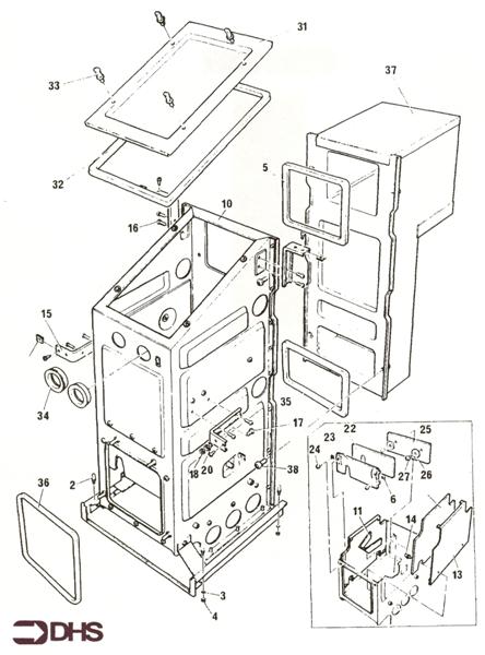
071 Baxi 062532 Screw Tf M4 x 8mm Pan Pozi Zinc Plated - Bermuda/Barcelona/Boston
Part No: 1110602 MPN: 062532
027
Baxi 062583 Screw Tf M5 x 10mm Pn Hd Pz S Zinc Plated - Boston/Bermuda/Solo HE
Part No: 1110620 MPN: 062583
024
Baxi 062571 Screw St No8 x 1/2 Pan.Hd Pz Zinc Plated A - Bermuda/Boston/Gas Flam
Part No: 1110616 MPN: 062571
016 Baxi 062683 Screw St No 8 x 1/4 Flhd Pozi Zinc Plated - Bermuda/Boston/Solo 3
Part No: 1110662 MPN: 062683



