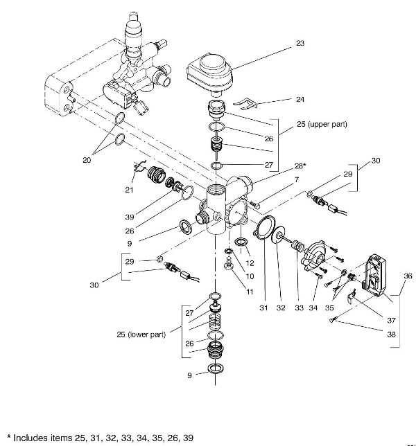
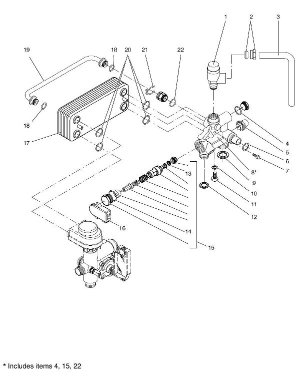
Gas Boiler Spares for Ideal Domestic Mini HE C24
Brand: Ideal Domestic Range: MINI Model: HE C24 GC Number: 47-348-38
We have a wide range of spare parts for the Ideal Domestic Mini He C24. Can't find the part you're looking for? You can contact us and a member of our team will be more than happy to help find the part you need.
Installation ManualAll of our boiler manuals are free to download from our boiler manuals section
You can narrow your results further by choosing one of the following sub-appliances:










