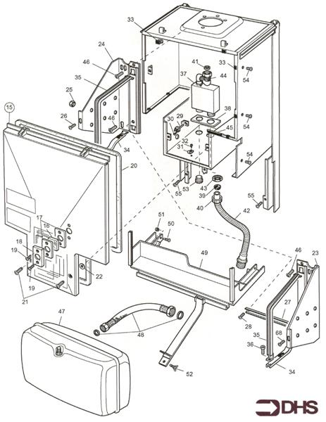
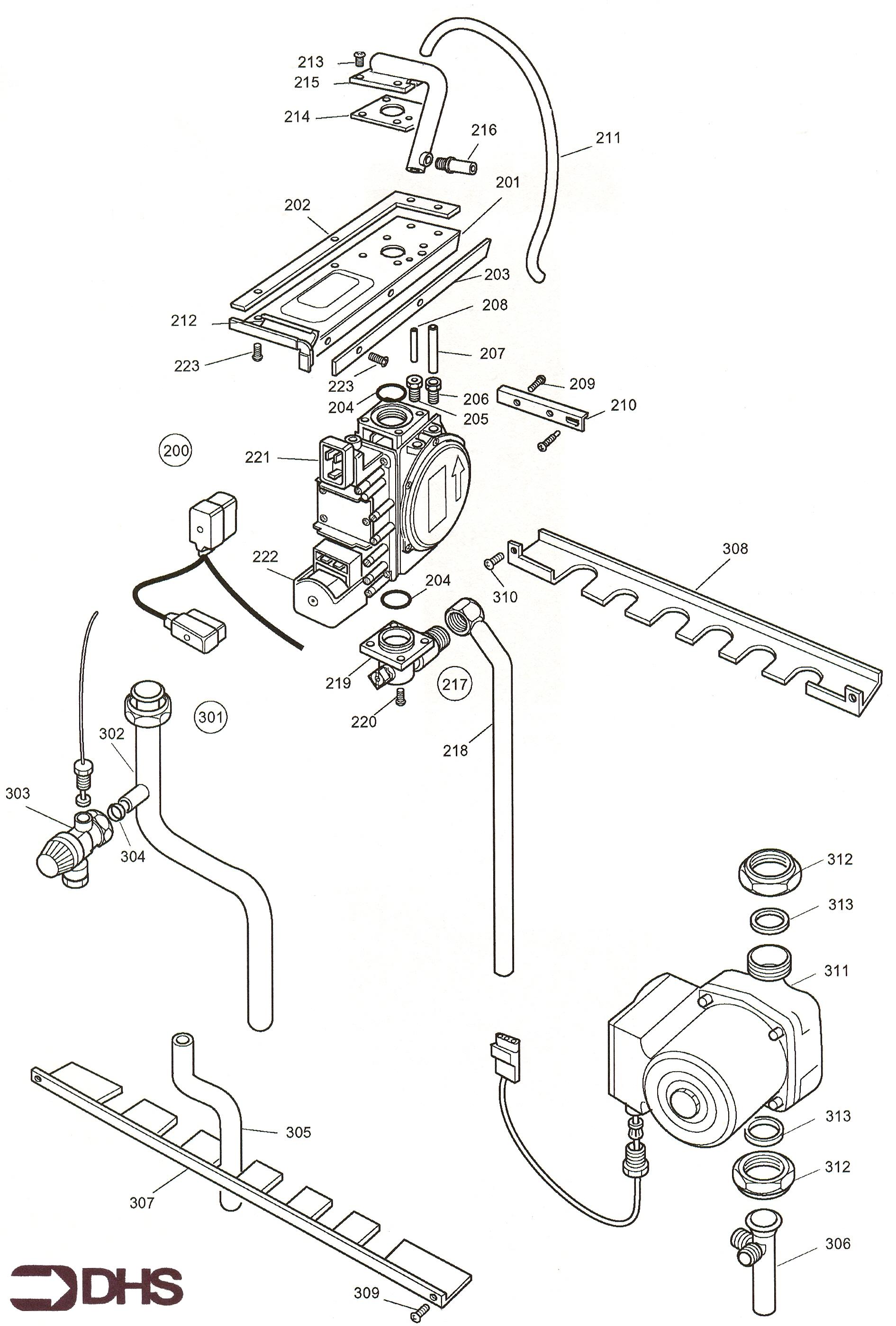
Gas Boiler Spares for Potterton Envoy System 40
Brand: Potterton Range: ENVOY Model: System 40 GC Number: 41-607-85
Here you will find all the spare parts for the Potterton Envoy System 40. Can't find the part you're looking for? You can contact us and a member of our team will be more than happy to help find the part you need.
All of our boiler manuals are free to download from our boiler manuals section
You can narrow your results further by choosing one of the following sub-appliances:






