Gas Boiler Spares for Vaillant Ecomax 824/2 E (2001-2007)
Brand: Vaillant Range: ECOmax Model: 824/2 E (2001-2007) GC Number: 47-044-12
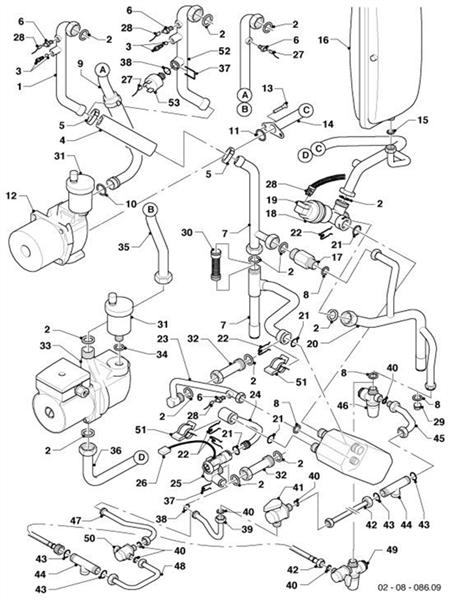
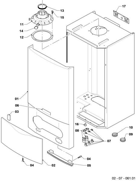
Here you will find all the spare parts for the Vaillant Ecomax 824/2 E (2001-2007). Can't find the part you're looking for? You can contact us and a member of our team will be more than happy to help find the part you need.
Installation ManualAll of our boiler manuals are free to download from our boiler manuals section
You can narrow your results further by choosing one of the following sub-appliances:

Vaillant 981233 60mm Flue Adaptor Lip Seal - ecoTEC Plus VUW/Ecofit Pure VU
Part No: 1378756 MPN: 981233

Vaillant 181051 Expansion Vessel - ecoTEC Plus VU/Ecomax VUW/ecoTEC Pro
Part No: 1374029 MPN: 181051

Vaillant 981227 80mm Lip Seal - Main Heat Exchanger - ecoTEC Plus VU/Pro VUW
Part No: 1378752 MPN: 981227

Vaillant 090709 Ignition/Monitoring Electrode - ecoTEC Plus R1/Ecomax/ecoTEC+ R1
Part No: 1373335 MPN: 090709

Vaillant 180932 Flue Adapter - 60/100mm - ecoTEC Plus/ecoTEC Exclusive/Ecomax
Part No: 1376628 MPN: 180932

Vaillant 252457 Diverter Valve - Turbomax Plus VUW/Pro VUW/Aqua Plus VUI Pro VUW
Part No: 1374425 MPN: 252457

Vaillant 076560 Condensing Collector - ecoTEC Plus VU/ecoTEC Pro VUW/ecoTEC Excl
Part No: 1372843 MPN: 076560