Gas Boiler Spares for Vaillant Thermocompact 624 E (2004-2008)
Brand: Vaillant Range: THERMOCompact Model: 624 E (2004-2008) GC Number: 41-044-25
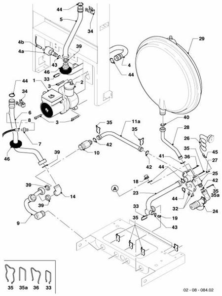
We have a wide range of spare parts for the Vaillant Thermocompact 624 E (2004-2008). Can't find the part you're looking for? You can contact us and a member of our team will be more than happy to help find the part you need.
All of our boiler manuals are free to download from our boiler manuals section
You can narrow your results further by choosing one of the following sub-appliances:
039 Vaillant 981140 Packing O'Ring - 10 Pack - Aquaplus VUI/Ecomax VU/ecoTEC Plus VU
Part No: 1374897 MPN: 981140
004 Vaillant 981142 Packing O'Ring - Set Of 10 - Turbomax VUW/ecoTEC Pro VUW
Part No: 1378684 MPN: 981142
024 Vaillant 190732 Pressure Relief Valve - Thermocompact VU/Turbomax Pro VUW
Part No: 1374082 MPN: 190732
011 Vaillant 0020034604 Printed Circuit Board - Thermocompact VU/Turbomax Pro VUW
Part No: 1379974 MPN: 0020034604
042 Vaillant 981163 Packing O'Ring - Pack of 10 - Turbomax VUW/ecoTEC Plus VUW
Part No: 1374919 MPN: 981163
005 Vaillant 114288 Grey Knobs - 3 Knobs - Ecomax VUW/Turbomax VUW/Aquaplus VUI
Part No: 1373538 MPN: 114288







