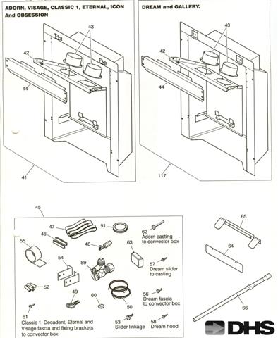
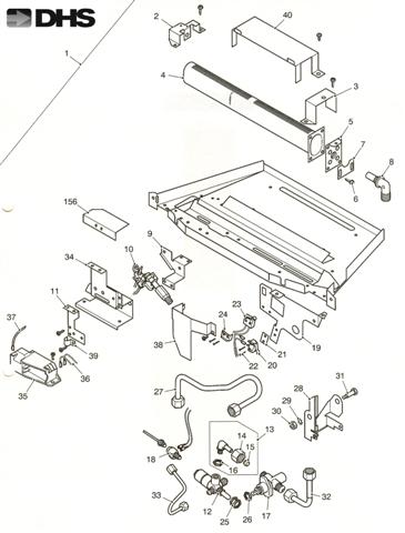
Gas Boiler Spares for Valor Icon Model 740 FS
Brand: Valor Range: ICON Model: Model 740 FS GC Number: 32-032-55
Here you will find all the spare parts for the Valor Icon Model 740 FS. Can't find the part you're looking for? You can contact us and a member of our team will be more than happy to help find the part you need.
All of our boiler manuals are free to download from our boiler manuals section
You can narrow your results further by choosing one of the following sub-appliances:

