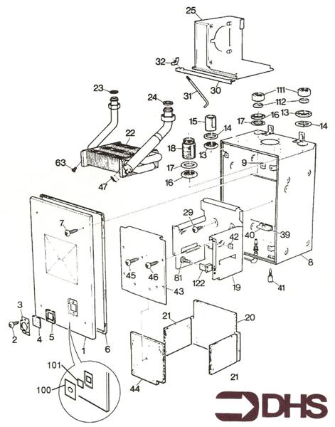
Burner for Glowworm Economy Plus 30F

Brand: Glowworm Range: Economy Plus Model: 30F GC Number: 41-319-29

We offer a wide range of spare parts for the Glowworm Economy Plus 30F. Can't find the part you're looking for? You can contact us and a member of our team will be more than happy to help find the part you need.

All of our boiler manuals are free to download from our boiler manuals section

You can narrow your results further by choosing one of the following sub-appliances:

GLOWWORM S203099 INJECTOR 2.7MM 064

GLOWWORM S203099 INJECTOR 2.7MM

Part No: 1333703 MPN: S203099

Sorry, this part is now obsolete

View Part Details
GLOWWORM S230321 INSULATION COMBUSTION CHAMBER FRONT 044

GLOWWORM S230321 INSULATION COMBUSTION CHAMBER FRONT

Part No: 1335130 MPN: S230321

Sorry, this part is now obsolete

View Part Details
043

GLOWWORM 443159 COMBUSTION CHAMBER DOOR ASSEMBLY

Part No: 1332365 MPN: 443159

Sorry, this part is now obsolete

View Part Details
020

GLOWWORM S230319 INSULATION ATION COMBUSTION CHAMBER BACK

Part No: 1335128 MPN: S230319

Sorry, this part is now obsolete

View Part Details
4 products found