Burner for Ideal Domestic Icos HE 12
Brand: Ideal Domestic Range: ICOS HE Model: 12
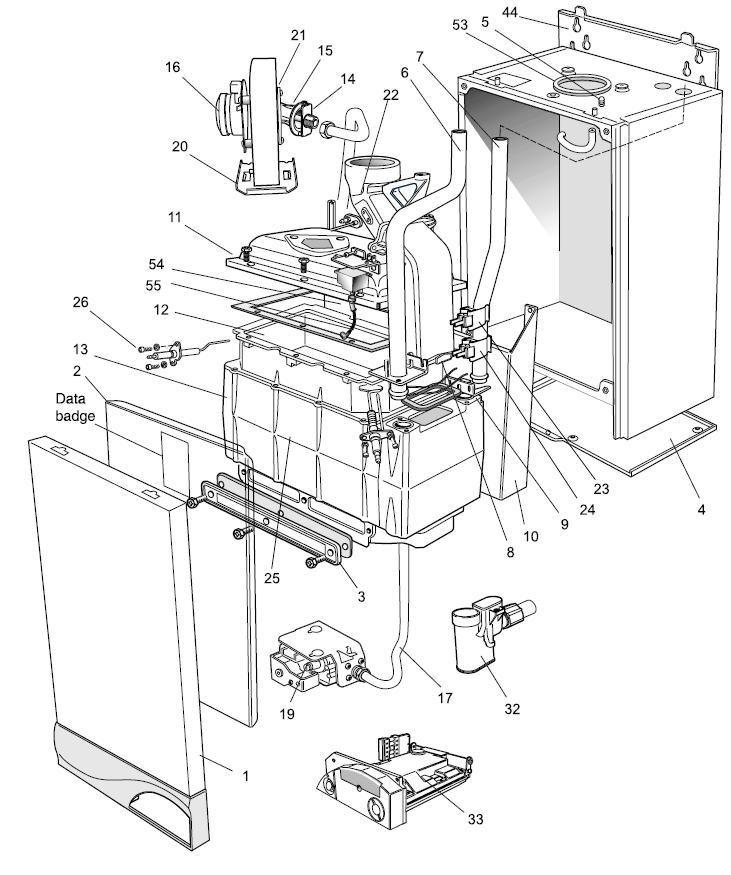
Here you can find the spare parts for the Ideal Domestic Icos He 12. Can't find the part you're looking for? You can contact us and a member of our team will be more than happy to help find the part you need.
All of our boiler manuals are free to download from our boiler manuals section
You can narrow your results further by choosing one of the following sub-appliances:
- Ideal 171845 Earth Pin Burner Kit - Esprit/Mexico/Isar HE
Part No: 1178261 MPN: 171845
Also referred to as Ionisation Probe Introduced Oct 2003
12 Ideal 173520 Combustion Chamber Insulation Kit - HE Series - Esprit/Mexico/Isar
Part No: 1179510 MPN: 173520

