Controls for Riello 40 464T55
Brand: Riello Range: 40 Model: 464T55
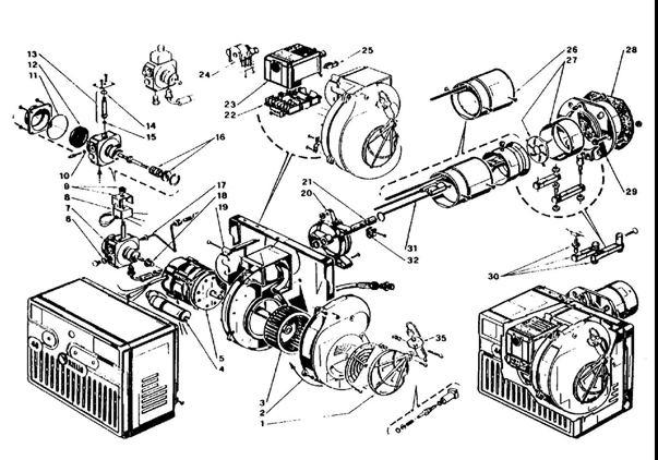
We have a wide range of spare parts for the Riello 40 464T55. Can't find the part you're looking for? You can contact us and a member of our team will be more than happy to help find the part you need.
All of our boiler manuals are free to download from our boiler manuals section
You can narrow your results further by choosing one of the following sub-appliances:
