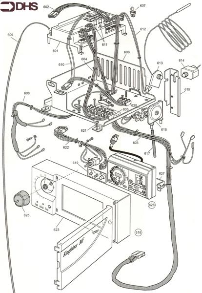
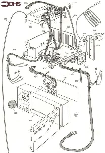
Electrodes for Potterton Kingfisher Mf RS 100
Brand: Potterton Range: KINGFISHER MF Model: RS 100 GC Number: 41-589-01
We have a range of spare parts for the Potterton Kingfisher Mf RS 100. Can't find the part you're looking for? You can contact us and a member of our team will be more than happy to help find the part you need.
Installation ManualAll of our boiler manuals are free to download from our boiler manuals section
You can narrow your results further by choosing one of the following sub-appliances:

