Expansion Vessels for Ideal Domestic Independent C24
Brand: Ideal Domestic Range: INDEPENDENT Model: C24
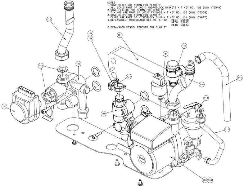
Here you will find all the spare parts for the Ideal Domestic Independent C24. Can't find the part you're looking for? You can contact us and a member of our team will be more than happy to help find the part you need.
All of our boiler manuals are free to download from our boiler manuals section
You can narrow your results further by choosing one of the following sub-appliances:
118 Ideal 175551 Expansion Vessel Kit - Independent C/Code Combi/I-mini
Part No: 1780925 MPN: 175551
Pre ABK


