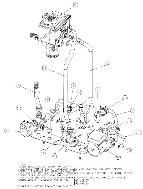
Expansion Vessels for Ideal Domestic Logic Code Combi 36
Brand: Ideal Domestic Range: LOGIC CODE Model: Combi 36
We have a range of spare parts for the Ideal Domestic Logic Code Combi 36. Can't find the part you're looking for? You can contact us and a member of our team will be more than happy to help find the part you need.
All of our boiler manuals are free to download from our boiler manuals section
You can narrow your results further by choosing one of the following sub-appliances:



