Expansion Vessels for Myson Midas B
Brand: Myson Range: MIDAS Model: B
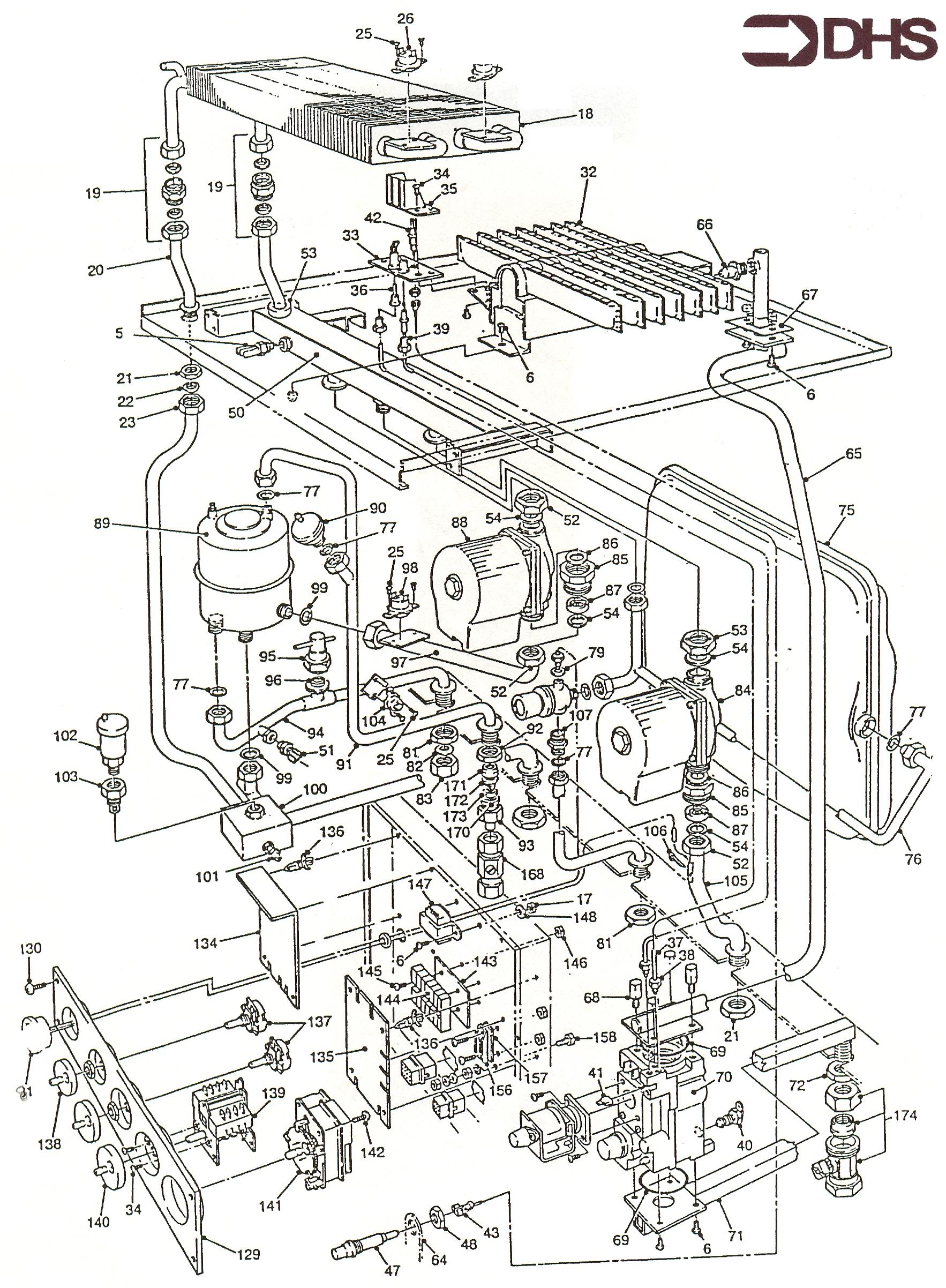
We have a wide range of spare parts for the Myson Midas B. Can't find the part you're looking for? You can contact us and a member of our team will be more than happy to help find the part you need.
Installation ManualAll of our boiler manuals are free to download from our boiler manuals section
You can narrow your results further by choosing one of the following sub-appliances:
090 Worcester Bosch 87161425030 Mini Expansion Vessel - Ha50 - 24i/28i
Part No: 1018305 MPN: 87161425030
