Flue for Ideal Commercial Concord Cx2 140 Through To 3
Brand: Ideal Commercial Range: CONCORD Model: CX2 140 THROUGH TO 340 GC Number: 41-421-35
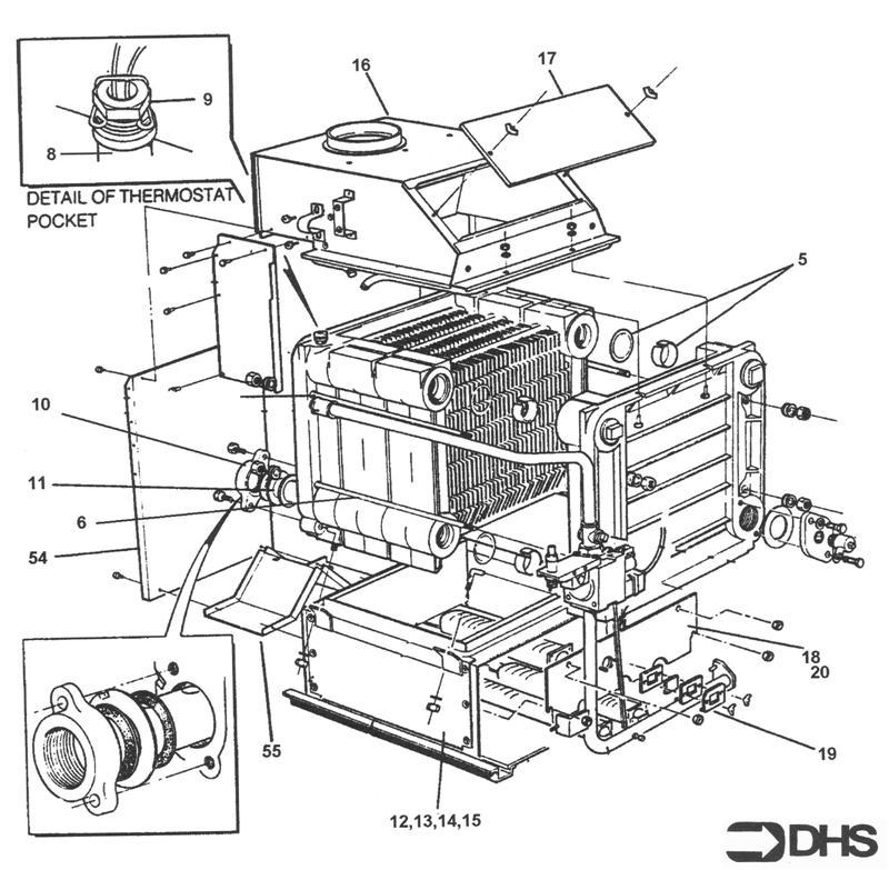
We offer a wide range of spare parts for the Ideal Commercial Concord Cx2 140 Through To 340. Can't find the part you're looking for? You can contact us and a member of our team will be more than happy to help find the part you need.
All of our boiler manuals are free to download from our boiler manuals section
You can narrow your results further by choosing one of the following sub-appliances:
