Gas Valves for Glowworm Compact 100 E
Brand: Glowworm Range: Compact Model: 100 E GC Number: 47-047-08A
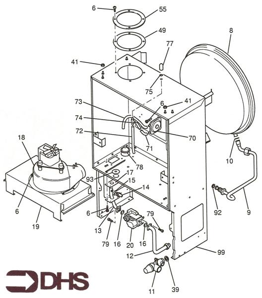
We offer a wide range of spare parts for the Glowworm Compact 100 E. Can't find the part you're looking for? You can contact us and a member of our team will be more than happy to help find the part you need.
Installation ManualAll of our boiler manuals are free to download from our boiler manuals section
You can narrow your results further by choosing one of the following sub-appliances:

