Gas Valves for Hamworthy Purewell P.Pilot P40
Brand: Hamworthy Range: PureWELL Model: P.PILOT P40
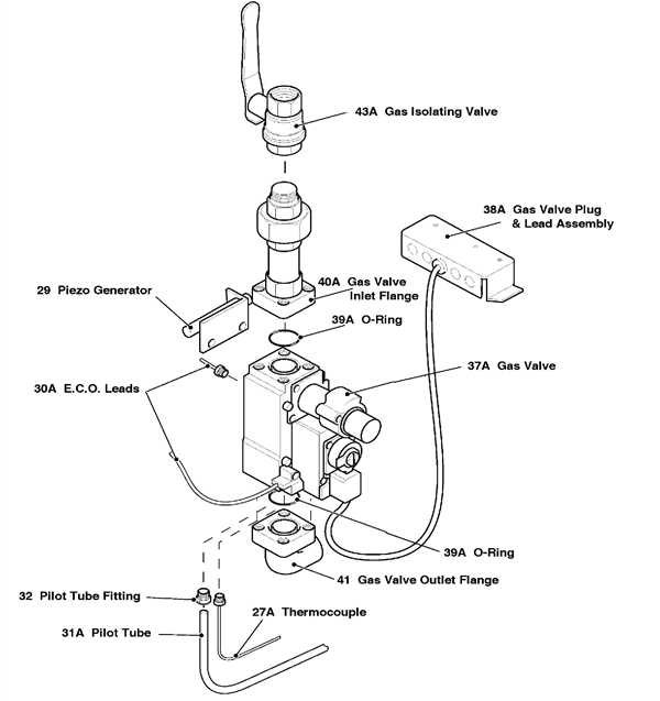
Here you can find the spare parts for the Hamworthy Purewell P.Pilot P40. Can't find the part you're looking for? You can contact us and a member of our team will be more than happy to help find the part you need.
All of our boiler manuals are free to download from our boiler manuals section
You can narrow your results further by choosing one of the following sub-appliances:
