Heat Exchanger for Ideal Commercial Imax W60P
Brand: Ideal Commercial Range: IMAX Model: W60P
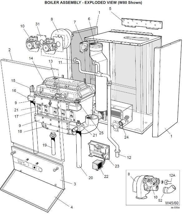
We offer a wide range of spare parts for the Ideal Commercial Imax W60P. Can't find the part you're looking for? You can contact us and a member of our team will be more than happy to help find the part you need.
All of our boiler manuals are free to download from our boiler manuals section
You can narrow your results further by choosing one of the following sub-appliances:

