Ignition Unit for Glowworm Fuelsaver MK2 75 B
Brand: Glowworm Range: FUELSAVER Model: MK2 75 B GC Number: 41-313-11
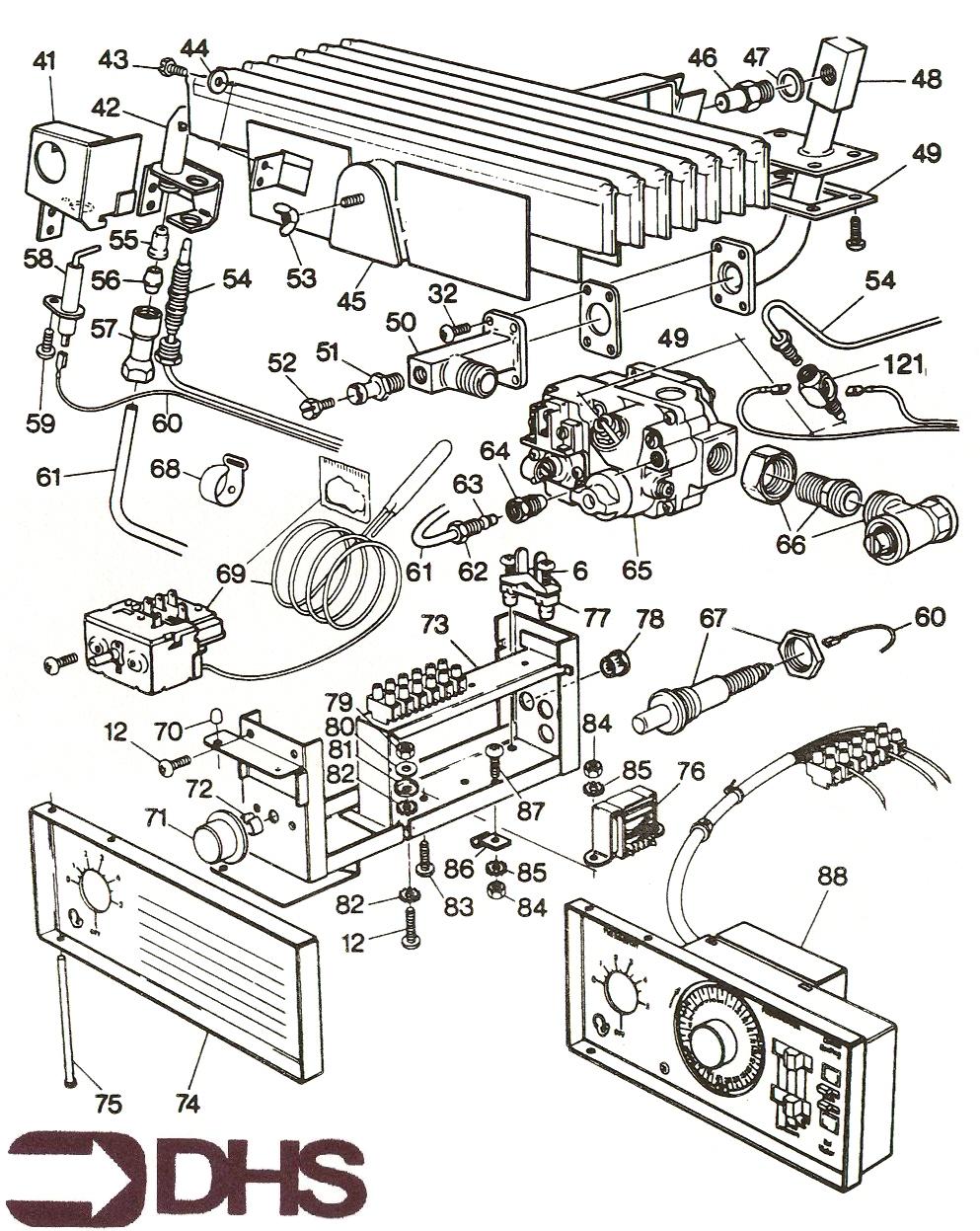
Here you will find all the spare parts for the Glowworm Fuelsaver MK2 75 B. Can't find the part you're looking for? You can contact us and a member of our team will be more than happy to help find the part you need.
All of our boiler manuals are free to download from our boiler manuals section
You can narrow your results further by choosing one of the following sub-appliances:
067 Glow-worm S900501 Piezo Generator Alternative - BBU/Coordinate/Fuelsaver
Part No: 1339317 MPN: 3154008
