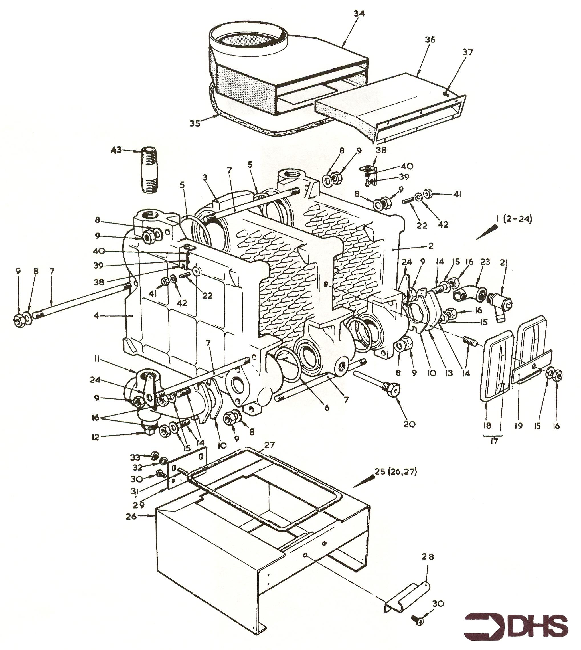
Isolation Valves for Potterton Fireside FS44L

Brand: Potterton Range: FIRESIDE Model: FS44L GC Number: 41-595-07

We offer a wide range of spare parts for the Potterton Fireside FS44L. Can't find the part you're looking for? You can contact us and a member of our team will be more than happy to help find the part you need.

All of our boiler manuals are free to download from our boiler manuals section

You can narrow your results further by choosing one of the following sub-appliances:

021

POTTERTON 629751 DRAINING TAP 1/2" B.S.P.T

Part No: 1124087 MPN: 629751

Sorry, this part is now obsolete

View Part Details
048

POTTERTON 629803 COCK, GAS 1/4" M/F

Part No: 1124088 MPN: 629803

Sorry, this part is now obsolete

View Part Details
2 products found