Miscellaneous for Potterton Performa System 28 He
Brand: Potterton Range: PERFORMA Model: System 28 HE GC Number: 41-591-27
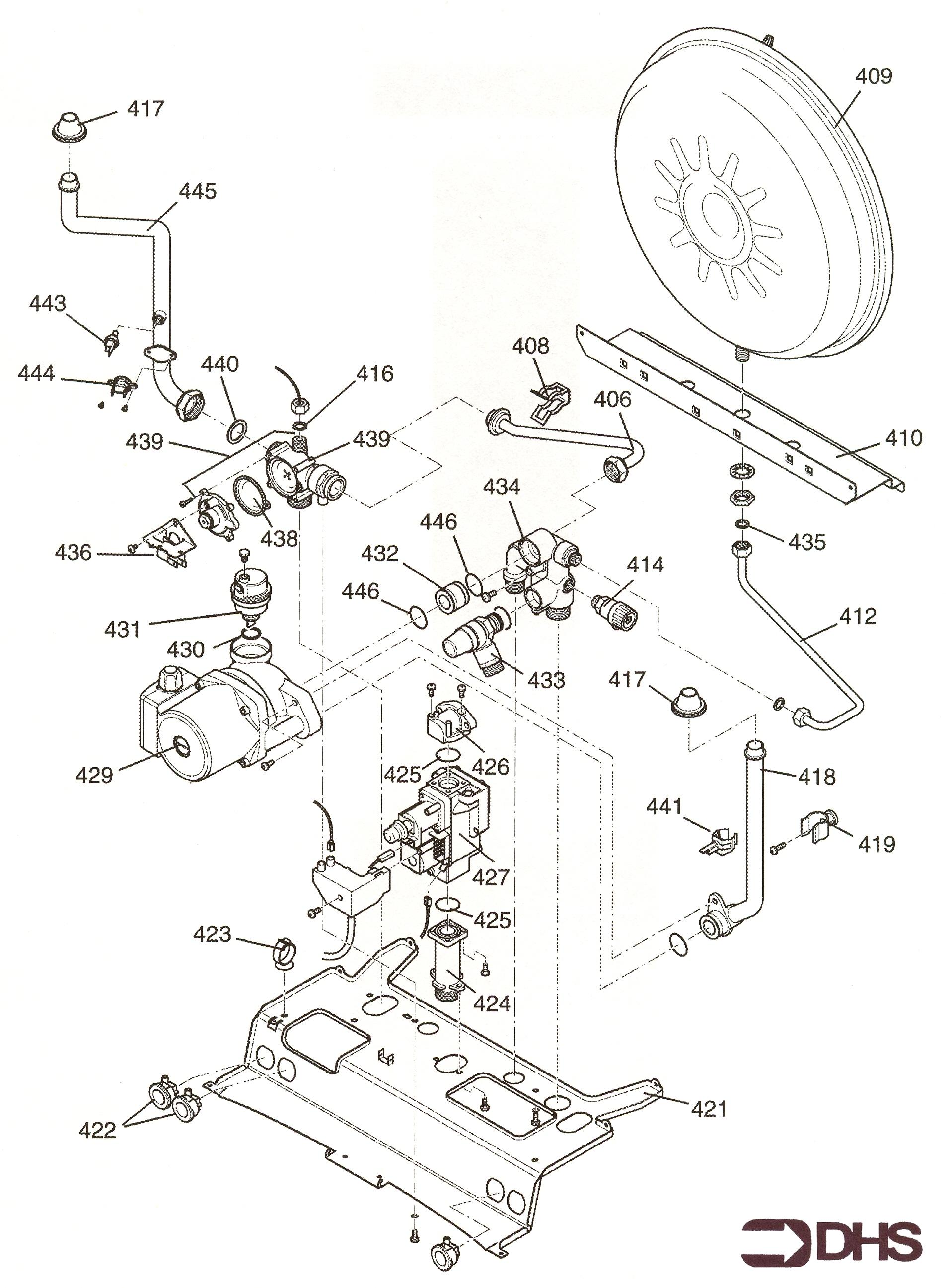
We have a wide range of spare parts for the Potterton Performa System 28 He. Can't find the part you're looking for? You can contact us and a member of our team will be more than happy to help find the part you need.
All of our boiler manuals are free to download from our boiler manuals section
You can narrow your results further by choosing one of the following sub-appliances:





