Miscellaneous for Worcester Greenstar ErP Classic 42 CDI
Brand: Worcester Range: Greenstar ERP Model: Classic 42 CDI GC Number: 47-406-71
We have a wide range of spare parts for the Worcester Greenstar ErP Classic 42 CDI. Can't find the part you're looking for? You can contact us and a member of our team will be more than happy to help find the part you need.
Installation ManualAll of our boiler manuals are free to download from our boiler manuals section
You can narrow your results further by choosing one of the following sub-appliances:
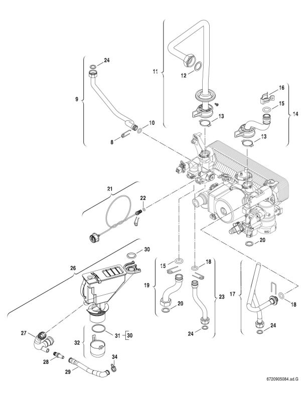
3 Worcester Bosch 87161063560 Supply Manifold Complete/Flow Unit - Greenstar/B/Gas
Part No: 1014883 MPN: 87161063560
24 Worcester Bosch 87161064420 Return Manifold Sub-Assembly - Greenstar CDi/Junior
Part No: 1014915 MPN: 87161064420
40 Worcester Bosch 87161064850 Silencer Body - White - CDi/Greenstar/GR
Part No: 1014931 MPN: 87161064850
99 Worcester Bosch 77190019960 He Series Cleaning Set - Greenstar/CDi
Part No: 1011649 MPN: 77190019960
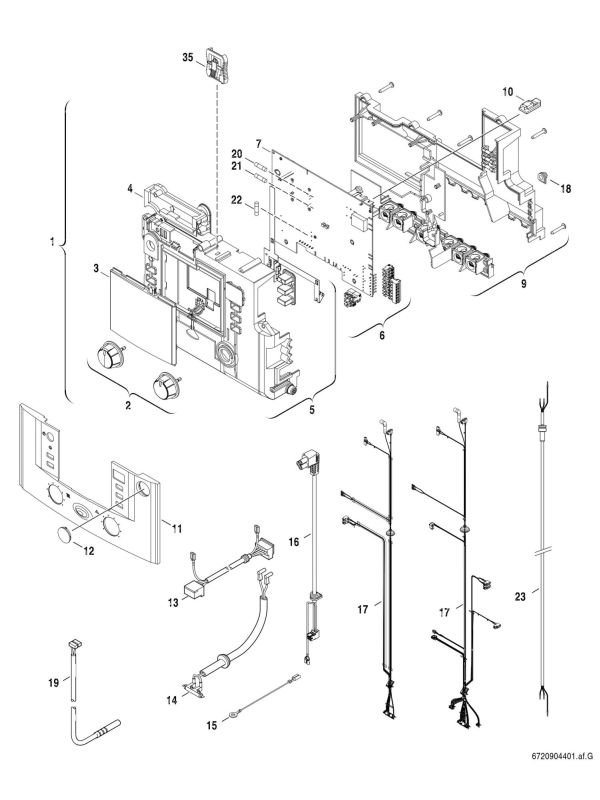
3 Worcester Bosch 87110003020 Shield - Facia Cover - CDi/Highflow/Greenstar
Part No: 1012617 MPN: 87110003020
22 Worcester Bosch 19045213420 Fusing Element - T2,5A Pack of 10 - CDi/Greenstar
Part No: 1011009 MPN: 19045213420







