Orings, Washers & Gaskets for Glowworm Brown Ember 2 Fire Front
Brand: Glowworm Range: BROWN EMBER 2 Model: Fire Front GC Number: 37-047-12
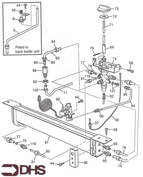
Here you will find all the spare parts for the Glowworm Brown Ember 2 Fire Front. Can't find the part you're looking for? You can contact us and a member of our team will be more than happy to help find the part you need.
All of our boiler manuals are free to download from our boiler manuals section
You can narrow your results further by choosing one of the following sub-appliances:


