Orings, Washers & Gaskets for Vaillant VUW 286/2-C (2001-2007)
Brand: Vaillant Range: VUW Model: 286/2-C (2001-2007) GC Number: 47-044-17
Here you can find the spare parts for the Vaillant VUW 286/2-C (2001-2007). Can't find the part you're looking for? You can contact us and a member of our team will be more than happy to help find the part you need.
All of our boiler manuals are free to download from our boiler manuals section
You can narrow your results further by choosing one of the following sub-appliances:
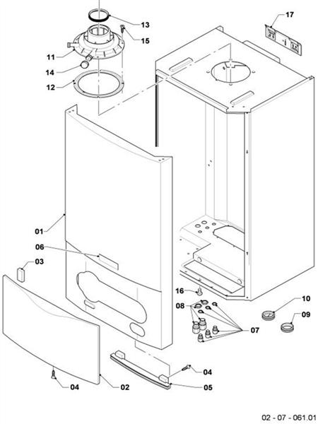
013 Vaillant 981233 60mm Flue Adaptor Lip Seal - ecoTEC Plus VUW/Ecofit Pure VU
Part No: 1378756 MPN: 981233
007 Vaillant 981227 80mm Lip Seal - Main Heat Exchanger - ecoTEC Plus VU/Pro VUW
Part No: 1378752 MPN: 981227
002 Vaillant 981140 Packing O'Ring - 10 Pack - Aquaplus VUI/Ecomax VU/ecoTEC Plus VU
Part No: 1374897 MPN: 981140
014 Vaillant 981142 Packing O'Ring - Set Of 10 - Turbomax VUW/ecoTEC Pro VUW
Part No: 1378684 MPN: 981142
020 Vaillant 981163 Packing O'Ring - Pack of 10 - Turbomax VUW/ecoTEC Plus VUW
Part No: 1374919 MPN: 981163
043 Vaillant 981165 Packing O'Ring - Pack of 10 - Ecofit Pure System VU/Ecomax VUW
Part No: 1374921 MPN: 981165




