Pilot Burners for Baxi Floor Standing RS 801

Brand: Baxi Range: Floor Standing Model: RS 801 GC Number: 41-077-30

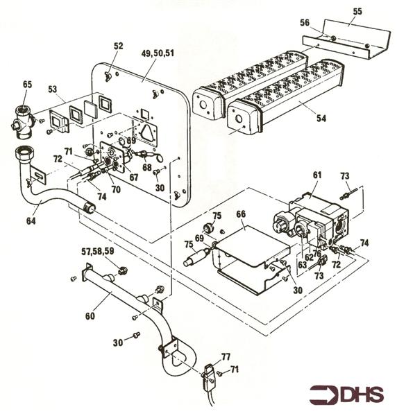
Here you will find all the spare parts for the Baxi Floor Standing RS 801. Can't find the part you're looking for? You can contact us and a member of our team will be more than happy to help find the part you need.

All of our boiler manuals are free to download from our boiler manuals section

You can narrow your results further by choosing one of the following sub-appliances:

POTTERTON 402560 HONEYWELL PILOT INJECTOR (STD) 70

POTTERTON 402560 HONEYWELL PILOT INJECTOR (STD)

Part No: 1122385 MPN: 402560

Sorry, this part is now obsolete

View Part Details
67

POTTERTON 402841 PILOT BURNER/BRKT ASSY

Part No: 1122402 MPN: 402841

Sorry, this part is now obsolete

View Part Details
2 products found