Pilot Burners for Halstead Barlo Blenheim 42

Brand: Halstead Range: BARLO Model: BLENHEIM 42 GC Number: 41-333-09

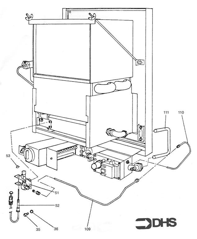
Here you will find all the spare parts for the Halstead Barlo Blenheim 42. Can't find the part you're looking for? You can contact us and a member of our team will be more than happy to help find the part you need.

All of our boiler manuals are free to download from our boiler manuals section

You can narrow your results further by choosing one of the following sub-appliances:

109

HALSTEAD 101003 PILOT TUBE FOR BLENHEIM 40

Part No: 1290018 MPN: 101003

Sorry, this part is now obsolete

View Part Details
51

HALSTEAD 500509 PILOT BURNER C/W BRACKET 27T1 DL M721 555

Part No: 1292218 MPN: 500509

Sorry, this part is now obsolete

View Part Details
35

HALSTEAD 130526 S/S PILOT SHIELD

Part No: 1290098 MPN: 130526

Sorry, this part is now obsolete

View Part Details
3 products found