Pilot Burners for Myson Marathon 800 C
Brand: Myson Range: MARATHON Model: 800 C
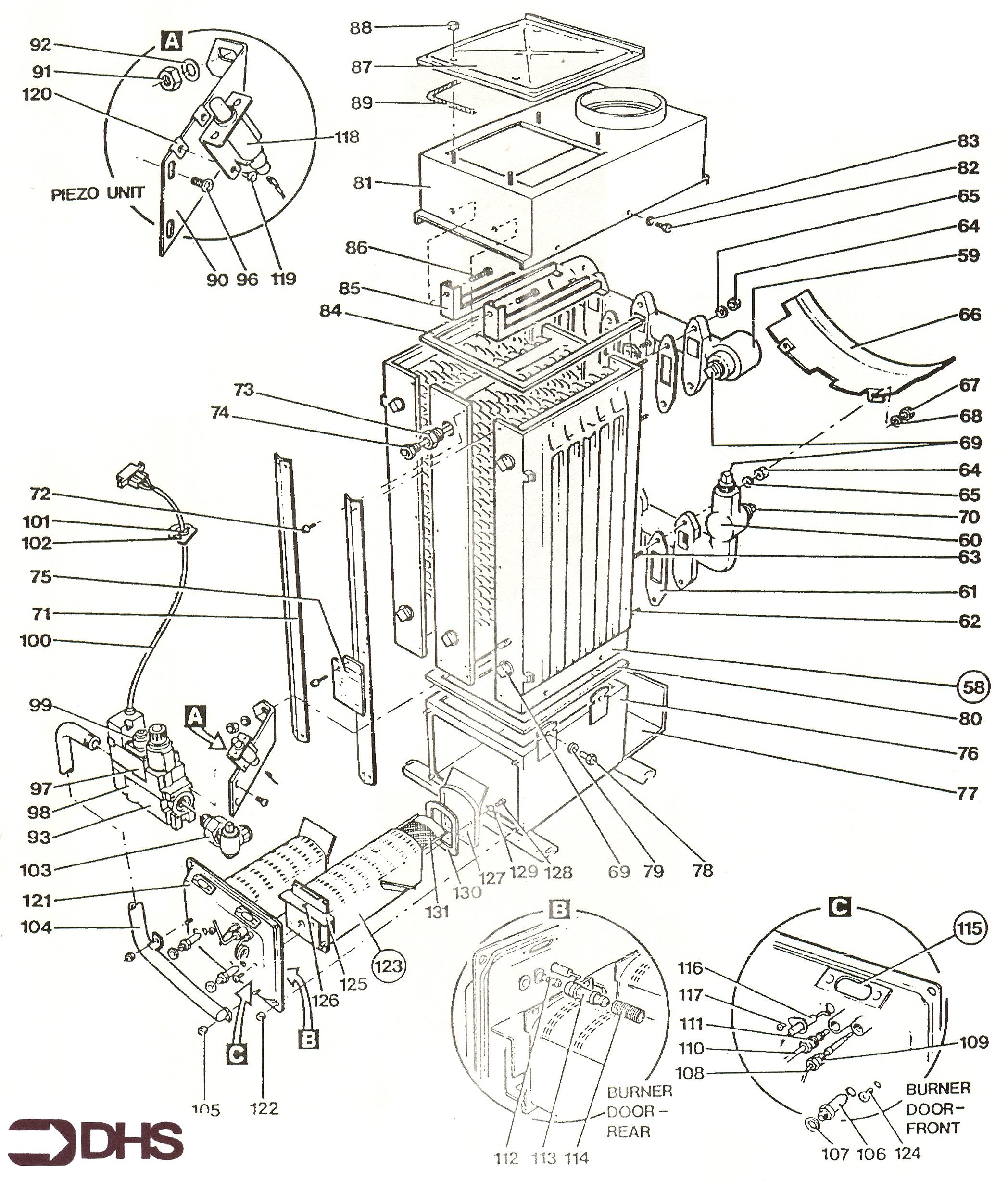
Here you will find all the spare parts for the Myson Marathon 800 C. Can't find the part you're looking for? You can contact us and a member of our team will be more than happy to help find the part you need.
Installation ManualAll of our boiler manuals are free to download from our boiler manuals section
You can narrow your results further by choosing one of the following sub-appliances:
